Magna Concursos

Foram encontradas 640 questões.

3094475 Ano: 2023
Disciplina: Engenharia Elétrica
Banca: FUNDATEC
Orgão: IF-RS

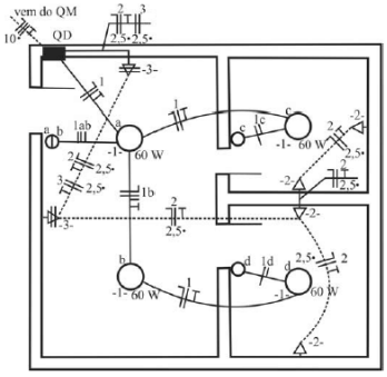
Determine a potência para os tomadores previstos para o ambiente da sala a seguir.

Enunciado 3382899-1

 

Provas

Questão presente nas seguintes provas
3094474 Ano: 2023
Disciplina: Engenharia Elétrica
Banca: FUNDATEC
Orgão: IF-RS

Qual(is) circuito(s) apresenta(m) erro no diagrama unifilar de acordo com o diagrama abaixo?

Enunciado 3382897-1

 

Provas

Questão presente nas seguintes provas
3094473 Ano: 2023
Disciplina: Engenharia Elétrica
Banca: FUNDATEC
Orgão: IF-RS

Com base no sistema de aterramento, pode-se afirmar que o sistema a seguir é um:

Enunciado 3382895-1

 

Provas

Questão presente nas seguintes provas
3094472 Ano: 2023
Disciplina: Engenharia Elétrica
Banca: FUNDATEC
Orgão: IF-RS

De acordo com o diagrama unifilar a seguir, é possível afirmar que são circuitos, EXCETO:

Enunciado 3382893-1

 

Provas

Questão presente nas seguintes provas
3094471 Ano: 2023
Disciplina: Biblioteconomia
Banca: FUNDATEC
Orgão: IF-RS
Vergueiro (1995), em tópicos especiais de seleção, aponta quatro relações importantes para a seleção de materiais. Desse modo, assinale a alternativa que apresenta termo que NÃO integra os tópicos relacionados com a seleção, que, segundo o autor, são considerados importantes para discussão.
 

Provas

Questão presente nas seguintes provas
3094470 Ano: 2023
Disciplina: Biblioteconomia
Banca: FUNDATEC
Orgão: IF-RS
Com base na NBR 10520:2023, sobre a estrutura de trabalhos acadêmicos, referente à atualização da norma, assinale a alternativa INCORRETA.
 

Provas

Questão presente nas seguintes provas
3094469 Ano: 2023
Disciplina: Biblioteconomia
Banca: FUNDATEC
Orgão: IF-RS
Segundo o código de ética e deontologia do bibliotecário brasileiro, a censura pública será aplicada de forma escrita, com o emprego da palavra “censura” do Presidente do CRB, cumulada com multa de anuidades de pessoa física vigentes à época.

Assinale a alternativa que preenche, correta e respectivamente, as lacunas do trecho acima.
 

Provas

Questão presente nas seguintes provas
3094468 Ano: 2023
Disciplina: Biblioteconomia
Banca: FUNDATEC
Orgão: IF-RS
Em relação aos deveres do bibliotecário, analise as assertivas abaixo sobre o código de ética e deontologia do bibliotecário brasileiro, assinalando V, se verdadeiras, ou F, se falsas.

( ) Preservar o cunho liberal e humanista de sua profissão, fundamentado na liberdade da investigação científica e na dignidade da pessoa humana.
( ) Fazer comentários desabonadores sobre a profissão de bibliotecário e às entidades representativas da sua profissão.
( ) Observar os ditames da ciência e da técnica.
( ) Informar sempre ao CRB no qual está registrado quando assumir e deixar cargo ou função.

A ordem correta de preenchimento dos parênteses, de cima para baixo, é:
 

Provas

Questão presente nas seguintes provas
3094467 Ano: 2023
Disciplina: Biblioteconomia
Banca: FUNDATEC
Orgão: IF-RS
Na prática de catalogação, os elementos da descrição bibliográfica, a área de título e de responsabilidade devem ser retirados da seguinte fonte principal de informação, EXCETO:
 

Provas

Questão presente nas seguintes provas
3094466 Ano: 2023
Disciplina: Biblioteconomia
Banca: FUNDATEC
Orgão: IF-RS
Segundo Amaral (2007), a parte visível do marketing é a promoção, que pode ser usada pelos gestores para comunicar, esclarecer o público a respeito de um produto ou serviço. São objetivos do emprego da promoção em unidades de informação, EXCETO:
 

Provas

Questão presente nas seguintes provas