Foram encontradas 1.896 questões.
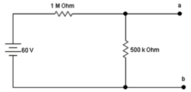
Um técnico, durante uma experiência de laboratório, utiliza um voltímetro de sensibilidade de 20kΩ/V, na escala de 50V, para efetuar a medida da tensão Vab, conforme o circuito abaixo.

O erro relativo percentual dessa medição é igual a:
Provas
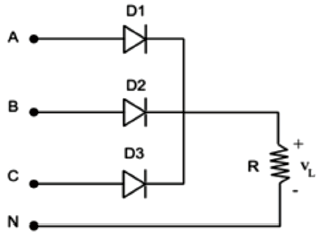
A figura abaixo mostra um circuito retificador trifásico. A tensão em cada fase é de 120VRMS.

O valor médio da tensão na carga é de aproximadamente:
Provas
Considere um transformador cujo circuito equivalente é mostrado abaixo.

Fonte: Boylestad – Introdução à analise de circuitos - 8ª edição. Adaptado.
Os valores da resistência equivalente Re e da reatância equivalente Xe são:
Provas
Uma linha coaxial de 50 Ohms é ligada a uma carga puramente resistiva. Sendo o coeficiente de reflexão igual a 0,2, o valor da carga será:
Provas
Durante uma atividade realizada no laboratório, um técnico montou o circuito abaixo, o transistor usado é de silício (VBE = 0,7V) e o seu HFE é igual a 100.

O valor da tensão no coletor, em Volts, é de:
Provas
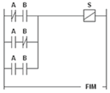
O circuito abaixo mostra um diagrama de comando .

Assinale a alternativa com o diagrama LADDER equivalente:
Provas
Avalie as afirmativas a seguir, relativas às ferramentas de controle da qualidade:
I. O Diagrama de Causa e Efeito (ou Espinha de peixe) é uma técnica largamente utilizada, que mostra a relação entre um efeito e as possíveis causas que podem estar contribuindo para que ele ocorra.
II. O brainstorming não é uma ferramenta da qualidade.
III. O diagrama de Pareto é utilizado para se identificar quais os itens responsáveis pela maior parcela de erros ou problemas.
Assinale a alternativa correta:
Provas
Com relação à tolerância em uma medição, avalie se são verdadeiras (V) ou falsas (F) as afirmativas a seguir:
- A tolerância estabelece limites para os desvios em relação à dimensão efetiva, assegurando o funcionamento adequado das peças.
- A tolerância ou Campo de Tolerância é a variação permissível da dimensão da peça, dada pela diferença entre as dimensões máxima e mínima.
- A tolerância evita uma exatidão excessiva nas dimensões das peças durante a sua fabricação, que ocasiona um processo de fabricação muito lento e aumento da mão de obra.
As afirmativas são respectivamente:
Provas
Considere a tabela verdade abaixo:
| A | B | S |
| 0 | 0 | 0 |
| 0 | 1 | 0 |
| 1 | 0 | 1 |
| 1 | 1 | 0 |
O diagrama em LADDER que traduz essa tabela verdade é:
Provas
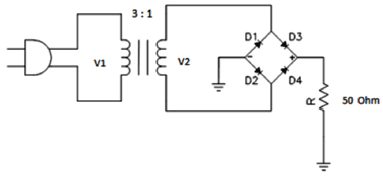
A tensão aplicada ao primário do transformador mostrado no circuito ilustrado abaixo é de 120VRMS.

Considerando todos os diodos como ideais, podemos afirmar que o valor médio da tensão na resistência de carga é aproximadamente igual a:
Provas
Caderno Container