Magna Concursos

Foram encontradas 50 questões.

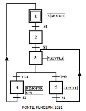
3855512 Ano: 2025
Disciplina: Engenharia Eletrônica
Banca: FUNCERN
Orgão: IF-PE
O diagrama SFC (Sequential Function Chart), também conhecido como Grafcet, apresentado na figura a seguir, ilustra o comportamento de um Controlador Lógico Programável (CLP) em um processo industrial.


Enunciado 4837152-1


A sequência de operação correta do diagrama está descrita na opção:
 

Provas

Questão presente nas seguintes provas
3855511 Ano: 2025
Disciplina: Eletroeletrônica
Banca: FUNCERN
Orgão: IF-PE
Durante a análise de sinais analógicos em circuitos eletrônicos, o uso correto do osciloscópio digital é essencial para garantir medições precisas e interpretações confiáveis. A configuração inadequada de parâmetros, como acoplamento, base de tempo, escala vertical e tipo de disparo, pode levar a leituras distorcidas ou incompletas. Assim, ao utilizar o osciloscópio digital para observar um sinal senoidal de baixa frequência com amplitude conhecida, o operador deve garantir que
 

Provas

Questão presente nas seguintes provas
3855510 Ano: 2025
Disciplina: TI - Redes de Computadores
Banca: FUNCERN
Orgão: IF-PE
Ao projetar um gateway de campo baseado em um sistema embarcado para agregar dados de sensores heterogêneos e enviá-los para a nuvem, a escolha do protocolo de comunicação é vital. Para um cenário industrial com restrições de banda e energia, mas que requer confiabilidade, um protocolo de camada de aplicação frequentemente empregado é o MQTT (Message Queuing Telemetry Transport). Sua principal vantagem nesse contexto é
 

Provas

Questão presente nas seguintes provas
3855509 Ano: 2025
Disciplina: Eletroeletrônica
Banca: FUNCERN
Orgão: IF-PE
O MOSFET é amplamente utilizado como chave semicondutora em aplicações de eletrônica de potência, especialmente em configurações de chave estática. Nessa função, ele opera alternando entre os estados de corte e saturação, permitindo o controle eficiente do fluxo de energia em circuitos conversores e fontes chaveadas. Considerando suas características técnicas e operacionais, é correto afirmar que o MOSFET
 

Provas

Questão presente nas seguintes provas
3855508 Ano: 2025
Disciplina: Eletroeletrônica
Banca: FUNCERN
Orgão: IF-PE
Um engenheiro precisa projetar um circuito sequencial síncrono que detecte a sequência não ordenada "011" ou "101", em um fluxo de bits de entrada serial. Ou seja, a saída deve ir para nível lógico '1' sempre que três bits consecutivos apresentarem exatamente dois '1's, independente da ordem. Em um projeto em nível de transferência de registros (Design RTL), o controlador deste detector de sequência é
 

Provas

Questão presente nas seguintes provas
3855507 Ano: 2025
Disciplina: Engenharia Eletrônica
Banca: FUNCERN
Orgão: IF-PE
Em um sistema embarcado de segurança crítica que controla a temperatura de um forno industrial, é utilizado um termopar tipo K, formado por uma junção de Cromel (Níquel-Cromo) como elemento positivo e o Alumel (Níquel-Alumínio) como negativo. O microcontrolador possui conversor A/D interno de 12 bits com faixa de entrada de 0 a 3,3 V. Como o termopar mede a diferença de temperatura entre a junta de medição (quente) e a junta de referência (fria), o circuito de interface deve lidar corretamente com a compensação da junta fria. Uma solução tecnicamente adequada para garantir precisão em todo o intervalo de operação é:
 

Provas

Questão presente nas seguintes provas
3855506 Ano: 2025
Disciplina: Eletroeletrônica
Banca: FUNCERN
Orgão: IF-PE
Um engenheiro precisa escolher a plataforma de hardware para um novo controlador de segurança que monitora a velocidade de uma serra industrial. O sistema deve acionar um freio de emergência, independentemente de qualquer software, se a velocidade exceder 5000 RPM em menos de 2 milissegundos. Duas opções são avaliadas: uma placa baseada num SoC Linux de alto desempenho e um microcontrolador simples com hardware limitado. A escolha pelo microcontrolador é tecnicamente justificada porque
 

Provas

Questão presente nas seguintes provas
3855505 Ano: 2025
Disciplina: TI - Redes de Computadores
Banca: FUNCERN
Orgão: IF-PE
Em uma linha de produção automatizada, a integração entre robôs colaborativos, sistemas de visão computacional e transportadores inteligentes exige uma infraestrutura de rede capaz de garantir comunicação determinística e em tempo real, mesmo com a coexistência de tráfego de dados não crítico (como monitoramento de produção e acesso a bancos de dados). A solução de rede que melhor atende a esses requisitos, permitindo a convergência de diferentes tipos de tráfego, em uma única infraestrutura Ethernet, sem comprometer o desempenho das aplicações críticas, é baseada em
 

Provas

Questão presente nas seguintes provas
3855504 Ano: 2025
Disciplina: TI - Redes de Computadores
Banca: FUNCERN
Orgão: IF-PE
A segurança do protocolo Modbus TCP pode ser reforçada por meio da implementação da especificação Modbus Security, que define a utilização do protocolo TLS (Transport Layer Security). Na implementação do TLS no Modbus TCP,
 

Provas

Questão presente nas seguintes provas
3855503 Ano: 2025
Disciplina: Engenharia Eletrônica
Banca: FUNCERN
Orgão: IF-PE
Durante a integração de um sistema SCADA com dez CLPs distintos, o engenheiro precisa garantir coerência de leitura de variáveis críticas. O protocolo escolhido foi o Modbus/TCP, mas o volume de requisições simultâneas começou a gerar atrasos na atualização das telas de supervisão. Diante desse cenário, a melhor análise é que
 

Provas

Questão presente nas seguintes provas