Foram encontradas 413 questões.
Analise as afirmativas a seguir, sobre controladores lógicos programáveis.
I. O termo relé interno, relé auxiliar ou marcador, é usado para o que pode ser considerado um relé de CLP. Estes se comportam como relés com seus contatos associados, mas, na realidade, não simulações de relés feitas pelo software do CLP.
II. Para movimentação de dados, o comando contém a instrução de movimentação, o endereço da fonte de dados e o endereço de destino, conforme Figura 05, abaixo.

III. Os CLPs normalmente, por si só, não realizam, em seu programa, a comparação de dados, ou seja, não existe recurso de softwares para comparar variáveis de entrada.
IV. Um CLP equipado com canais de entrada analógica pode ser usado para executar uma função de controle contínuo, ou seja, um controle PID.
Em relação às alternativas acima, podemos afirmar que
Provas
- EletrotécnicaCircuitos Elétricos em Eletricidade
- EletrotécnicaCircuitos de Corrente Contínua e de Corrente Alternada
A componente ativa da corrente elétrica que circula no circuito da Figura 04, ou seja, aquela que é dissipada nos resistores e está alimentada por uma fonte alternada de Eeficaz = 120V, vale, em Ampères,

Provas
Observe a Figura 03 para responder à questão.

Provas
Observe a Figura 03 para responder à questão.

Provas
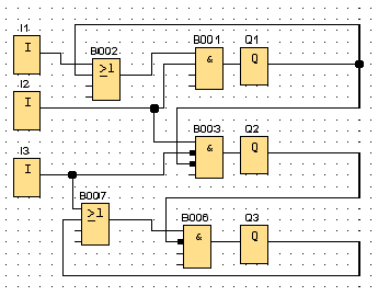
A linguagem gráfica Ladder é a mais difundida e encontrada em quase todos os CLPs. Ela se baseia na lógica de relés e contatos elétricos para comandar controladores lógicos programáveis (CLP). Um exemplo desta programação pode ser visto na Figura 02, abaixo.

Paralelamente, uma outra linguagem, chamada FBD, cujos elementos são expressos por blocos interligados, é também bastante difundida. Sabendo que a lógica Ladder pode ser representada pela lógica FBD, assinale a alternativa que corresponde à representação CORRETA da Figura 02.
Provas
- EletrotécnicaCircuitos Lógicos e Álgebra Booleana em Eletrotécnica
- EletrônicaEletrônica Digital em Eletroeletrônica
Considere o diagrama apresentado na Figura 12, abaixo.

A função F na sua forma mais simples é
Provas
A Figura 11 apresenta a variação da corrente no tempo, durante a partida de um motor.

Com base na Figura 11, pode-se afirmar que os momentos identificados por 1, 2, 3 e 4 correspondem, respectivamente, aos métodos de partida
Provas
Para responder à questão a seguir, considere o circuito elétrico apresentado na Figura 10, onde os valores dos resistores estão apresentados em kΩ, Ve é um gerador de sinal senoidal de 1kHz e A1, A2 e A3 são amplificadores operacionais ideais.

As frequências dos sinais de tensão nas saídas de A1, A2 e A3 são, respectivamente,
Provas
Para responder à questão a seguir, considere o circuito elétrico apresentado na Figura 10, onde os valores dos resistores estão apresentados em kΩ, Ve é um gerador de sinal senoidal de 1kHz e A1, A2 e A3 são amplificadores operacionais ideais.

O valor pico-a-pico da corrente elétrica que percorre Rs é
Provas
- EletrotécnicaAnálise de Circuitos Elétricos
- EletrônicaCircuitos de Corrente Contínua em Eletroeletrônica
Considere o circuito elétrico apresentado na Figura 09, para responder à questão a seguir.

A menor potência elétrica da fonte V1 capaz de atender este circuito, para qualquer valor ajustado em P1 é, aproximadamente,
Provas
Caderno Container