Foram encontradas 480 questões.
Leia o texto abaixo para responder à questão
CAPÍTULO PRIMEIRO / ÓBITO DO AUTOR
Algum tempo hesitei se devia abrir estas memórias pelo princípio ou pelo fim, isto é, se poria em primeiro lugar o meu nascimento ou a minha morte. Suposto o uso vulgar seja começar pelo nascimento, duas considerações me levaram a adotar diferente método: a primeira é que eu não sou propriamente um autor defunto, mas um defunto autor, para quem a campa foi outro berço; a segunda é que o escrito ficaria assim mais galante e mais novo. Moisés, que também contou a sua morte, não a pôs no intróito, mas no cabo: diferença radical entre este livro e o Pentateuco.
Dito isto, expirei às duas horas da tarde de uma sexta-feira do mês de agosto de 1869, na minha bela chácara de Catumbi. Tinha uns sessenta e quatro anos, rijos e prósperos, era solteiro, possuía cerca de trezentos contos e fui acompanhado ao cemitério por onze amigos. Onze amigos! Verdade é que não houve cartas nem anúncios. Acresce que chovia — peneirava uma chuvinha miúda, triste e constante, tão constante e tão triste, que levou um daqueles fiéis da última hora a intercalar esta engenhosa idéia no discurso que proferiu à beira de minha cova: — “Vós, que o conhecestes, meus senhores, vós podeis dizer comigo que a natureza parece estar chorando a perda irreparável de um dos mais belos caracteres que têm honrado a humanidade. Este ar sombrio, estas gotas do céu, aquelas nuvens escuras que cobrem o azul como um crepe funéreo, tudo isso é a dor crua e má que lhe rói à Natureza as mais íntimas entranhas; tudo isso é um sublime louvor ao nosso ilustre finado.”
Bom e fiel amigo! Não, não me arrependo das vinte apólices que lhe deixei.
(Machado de ASSIS. Memórias Póstumas de Brás Cubas)
No texto acima, a sentença “Tinha uns sessenta e quatro anos, rijos e prósperos...” possui o seguinte recurso linguístico:
Provas
Leia o texto abaixo para responder à questão
CAPÍTULO PRIMEIRO / ÓBITO DO AUTOR
Algum tempo hesitei se devia abrir estas memórias pelo princípio ou pelo fim A), isto é, se poria em primeiro lugar o meu nascimento ou a minha morte. Suposto o uso vulgar seja começar pelo nascimento B), duas considerações me levaram a adotar diferente método: a primeira é que eu não sou propriamente um autor defunto, mas um defunto autor, para quem a campa foi outro berço; a segunda é que o escrito ficaria assim mais galante e mais novo. Moisés, que também contou a sua morte D), não a pôs no intróito, mas no cabo: diferença radical entre este livro e o Pentateuco.
Dito isto, expirei às duas horas da tarde de uma sexta-feira do mês de agosto de 1869, na minha bela chácara de Catumbi. Tinha uns sessenta e quatro anos, rijos e prósperos C), era solteiro, possuía cerca de trezentos contos e fui acompanhado ao cemitério por onze amigos. Onze amigos! Verdade é que não houve cartas nem anúncios. E) Acresce que chovia — peneirava uma chuvinha miúda, triste e constante, tão constante e tão triste, que levou um daqueles fiéis da última hora a intercalar esta engenhosa idéia no discurso que proferiu à beira de minha cova: — “Vós, que o conhecestes, meus senhores, vós podeis dizer comigo que a natureza parece estar chorando a perda irreparável de um dos mais belos caracteres que têm honrado a humanidade. Este ar sombrio, estas gotas do céu, aquelas nuvens escuras que cobrem o azul como um crepe funéreo, tudo isso é a dor crua e má que lhe rói à Natureza as mais íntimas entranhas; tudo isso é um sublime louvor ao nosso ilustre finado.”
Bom e fiel amigo! Não, não me arrependo das vinte apólices que lhe deixei.
(Machado de ASSIS. Memórias Póstumas de Brás Cubas)
O gênero textual romance possui características predominantemente narrativas. No excerto acima, a sentença linguística que não consigna essa afirmação, e que - por isso - possui natureza mais descritiva, predominantemente, é:
Provas
Considere a seguinte resposta gráfica das curvas características do transistor conectado conforme o circuito:

Para as curvas características de transistores, a respeito do Efeito Early podemos afirmar que
Provas
Considere a seguinte resposta gráfica das curvas características do transistor conectado conforme o circuito:

Sabendo que a reta que se estende do ponto Y ao ponto X é a reta de carga do transistor no arranjo, os pontos Y e X são dados respectivamente por:
Provas
Considere o gráfico que ilustra a Densidade Energética de baterias:

Podemos associar (i), (ii) e (iii) às seguintes tecnologias de baterias:
Provas
Considere a seguinte chave eletrônica:

De posse de um multímetro analógico na escala de resistência x10k, suponha a realização dos seguintes ensaios:

Ainda a respeito da chave eletrônica da figura, após o Ensaio I da figura anterior são realizadas as seguintes aferições:

Podemos inferir agora que o transistor encontra-se
Provas
Considere a seguinte chave eletrônica:

De posse de um multímetro analógico na escala de resistência x10k, suponha a realização dos seguintes ensaios:

A fim de atestar o funcionamento da chave, o resultado dos ensaios I e II devem resultar, respectivamente
Provas
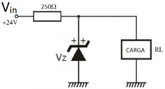
Considere o Diodo Zener com as seguintes características fornecidas pelo fabricante:
• Máxima potência dissipada pelo encapsulamento PZ(max) = 500mW.
• Corrente mínima de de Zener Iz = 0,5mA.
• Tensão de Zener Vz =12V.
Supondo que o Diodo Zener esteja funcionando corretamente para a regulação de carga, calcule os valores aproximados de mínimo e máximo admissíveis para a carga resistiva RL.

Os valores obtidos foram, respectivamente
Provas
Considere o seguinte arranjo de transistores:

De forma analítica, o ganho total da corrente de coletor Ic em relação a corrente de base Ib é dado por
Provas
Considere os itens a respeito do arranjo em série e paralelo de chaves eletrônicas e atribua V para verdadeiro ou F se falso.
( ) Para o aumento da capacidade de condução de corrente, TBj's em paralelo devem ter observado seus coeficientes de temperatura (negativo para TBJ's) pois se um dos transistores conduzir mais corrente, sua resistência em sentido direto diminui e sua corrente aumenta ainda mais.
( ) Em IGBT's o paralelismo é mais simples, pois os mesmos possuem coeficientes de temperatura positivos e constantes de maneira a facilitar seu paralelismo para divisão da condução de corrente.
( ) Para conexão de TBJ's em série, o tempo de entrada e saída de condução devem ser observados de maneira a não permitir que o dispositivo mais lento para condução ou rápido para o desligamento seja submetido a toda tensão de coletor/emissor.
( ) Já para o paralelismo de MOSFET's, uma vez que o aquecimento da chave implica em um aumento na resistência em sentido direto, o desvio da corrente resultante impede o paralelismo deste tipo de chave.
Assinale a sequência correta, no sentido de cima para baixo.
Provas
Caderno Container