Magna Concursos

Foram encontradas 350 questões.

2968676 Ano: 2022
Disciplina: Engenharia Mecânica
Banca: AOCP
Orgão: IF-MS

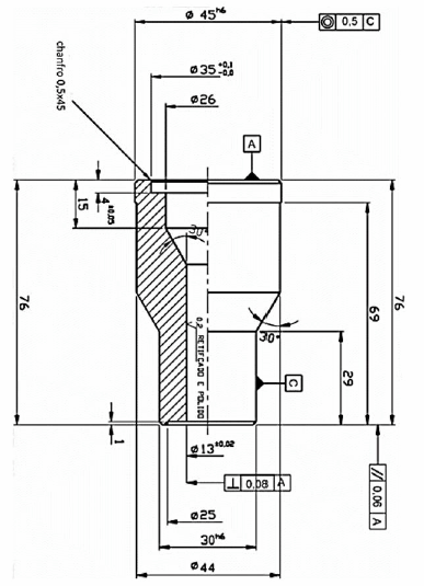
A respeito do seguinte projeto mecânico, assinale a alternativa correta.

Enunciado 3314384-1

 

Provas

Questão presente nas seguintes provas
2968674 Ano: 2022
Disciplina: Engenharia Civil
Banca: AOCP
Orgão: IF-MS
Provas:

Os blocos de fundações são muito utilizados nas fundações da construção civil, e a área da sua base deve ser determinada a partir da tensão admissível do solo para cargas não majoradas. Além disso, a espessura média do bloco não pode ser menor do que

 

Provas

Questão presente nas seguintes provas
2968673 Ano: 2022
Disciplina: Engenharia Civil
Banca: AOCP
Orgão: IF-MS
Provas:

Nas estruturas em concreto armado, devem ser analisados os Estados limites quanto à segurança das estruturas. Assinale a alternativa que representa o Estado limite relacionado ao conforto do usuário e à durabilidade, aparência e boa utilização das estruturas, seja em relação aos usuários, seja em relação às máquinas e aos equipamentos suportados pelas estruturas.

 

Provas

Questão presente nas seguintes provas
2968672 Ano: 2022
Disciplina: Engenharia Civil
Banca: AOCP
Orgão: IF-MS
Provas:

Um técnico em edificações ficou responsável por conferir a armadura de uma laje que está prestes a ser concretada. A orientação foi para que ele confira toda a ferragem que não foi previamente alongada. Assim, essa conferência será na armadura

 

Provas

Questão presente nas seguintes provas
2968671 Ano: 2022
Disciplina: Engenharia Civil
Banca: AOCP
Orgão: IF-MS
Provas:

O carimbo de um projeto arquitetônico deve estar posicionado no canto inferior direito das folhas de desenho e deve ser reservado à titulação e numeração dos desenhos, seguindo o formato A4. Assinale a alternativa que NÃO corresponde aos itens mínimos de um carimbo de projeto.

 

Provas

Questão presente nas seguintes provas
2968670 Ano: 2022
Disciplina: Engenharia Civil
Banca: AOCP
Orgão: IF-MS
Provas:

A planta chave de um projeto arquitetônico é

 

Provas

Questão presente nas seguintes provas
2968669 Ano: 2022
Disciplina: Engenharia Civil
Banca: AOCP
Orgão: IF-MS
Provas:

Um técnico está ajudando um arquiteto a finalizar o projeto arquitetônico de uma edificação de quatro pavimentos, e o profissional da arquitetura solicitou que ele desenhasse a projeção vertical ortogonal de planos internos da edificação. Nesse caso, o técnico deve desenhar

 

Provas

Questão presente nas seguintes provas
2968668 Ano: 2022
Disciplina: Engenharia Civil
Banca: AOCP
Orgão: IF-MS
Provas:

Sobre instalações prediais de água fria, preencha as lacunas e assinale a alternativa correta.

A torneira de boia é um componente instalado a do alimentador predial em sistema , destinado a controlar a admissão de água e limitar o nível operacional do reservatório predial.

 

Provas

Questão presente nas seguintes provas
2968667 Ano: 2022
Disciplina: Engenharia Civil
Banca: AOCP
Orgão: IF-MS
Provas:

Assinale a alternativa INCORRETA sobre instalações prediais de água fria.

 

Provas

Questão presente nas seguintes provas
2968666 Ano: 2022
Disciplina: Engenharia Civil
Banca: AOCP
Orgão: IF-MS
Provas:

Analise as assertivas sobre as definições de instalações de esgoto sanitário e assinale a alternativa correta.

I. Barrilete de ventilação: tubulação vertical com saída para a atmosfera em um ponto, destinada a receber dois ou mais tubos ventiladores.

II. Fecho hídrico: camada líquida, de nível constante, que em um conector veda a passagem dos gases.

III. Caixa sifonada: caixa provida de desconector e destinada a receber efluentes da instalação primária de esgoto.

IV. Ramal de descarga: tubulação que recebe indiretamente os efluentes de aparelhos sanitários.

 

Provas

Questão presente nas seguintes provas