Foram encontradas 225 questões.
No Linux, qual comando pode ser utilizado para preceder outros comandos a fim de executá-los com privilégios de superusuário?
Provas
- LinuxRedirecionamento I/O no Linux
- LinuxShell no LinuxShell Script
- WindowsLinha de Comando (Windows)PowerShell
Qual cmdlet ou operador é utilizado para redirecionar a saída de um comando para um arquivo, sobrescrevendo o conteúdo, nas linguagens de Shell script e PowerShell, RESPECTIVAMENTE?
Provas
Das opções apresentadas, qual NÃO corresponde a uma característica dos sistemas operacionais da família Windows?
Provas
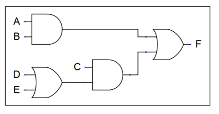
Disciplina: TI - Organização e Arquitetura dos Computadores
Banca: IF-ES
Orgão: IF-ES
Com base no circuito de portas lógicas ilustrado na figura a seguir, considerando que as entradas são A, B, C, D e E, e a saída final é F, identifique qual alternativa descreve CORRETAMENTE a função booleana equivalente ao circuito:

Provas
De acordo com a NBC TG 33 (R2) – “Benefícios a Empregados”, os benefícios rescisórios são aqueles concedidos aos empregados pela rescisão do contrato de trabalho de empregado como resultado da(s)
Provas
De acordo com a NBC TG 29 (R2) – “Ativo Biológico e Produto Agrícola”, um ativo biológico refere-se a
Provas
De acordo com a NBC TG 15 (R4) – “Combinação de Negócios”, em regra, o adquirente deve reconhecer o ativo de direito de uso e passivos de arrendamento para arrendamentos identificados de acordo com a NBC TG 06 (R3) – “Arrendamentos”, em que a adquirida é o arrendatário.
Marque a alternativa que apresenta a(s) hipótese(s) em que o adquirente NÃO é obrigado a reconhecer o ativo de direito de uso e os passivos de arrendamento:
Provas
Disciplina: TI - Organização e Arquitetura dos Computadores
Banca: IF-ES
Orgão: IF-ES
Qual nível de RAID distribui uniformemente os bits de paridade em todos os discos, evitando que apenas um disco fique responsável pela paridade e cause lentidão nas escritas?
Provas
Disciplina: TI - Organização e Arquitetura dos Computadores
Banca: IF-ES
Orgão: IF-ES
Qual a principal função do Contador de Programa (PC – Program Counter) no contexto da CPU durante a execução de um programa?
Provas

Com base na estrutura do banco de dados anteriormente apresentada, qual das alternativas apresenta uma consulta SQL que adiciona uma nova coluna chamada "DataNascimento" à tabela Aluno, para armazenar a data de nascimento de cada aluno, sendo que deve permitir valores nulos e ser do tipo DATE?
Provas
Caderno Container