Foram encontradas 898 questões.

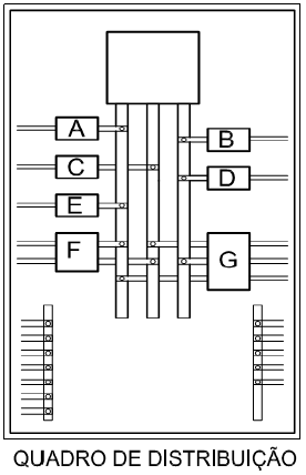
Considere o banheiro representado acima. Em sua planta elétrica, por meio da distribuição do cabeamento, podemos observar três circuitos distintos.
Observe atentamente o esquema do quadro de distribuição abaixo e marque a opção que apresenta o(s) disjuntor(es) que NÃO poderia(m) pertencer a um circuito do banheiro representado acima.

Provas
De acordo com os padrões contidos na NBR 5444, marque a alternativa que apresenta os nomes dos cabos, segundo a simbologia presente na Planta Elétrica abaixo, observando a ordem da numeração dada.

Provas
Marque a alternativa que apresenta o Perfil AB, segundo indicado no Levantamento Planialtimétrico do terreno abaixo:

Provas
A figura abaixo representa, em corte, o esquema inicial (estudo preliminar) de uma escada de emergência. Ela possuirá 02 lances paralelos e simétricos (escada em U, com 01 patamar) e o desnível total entre os pavimentos servidos por ela é de 3,00m. Sendo assim, de acordo com os preceitos da norma NBR 9077, calcule a escada, definindo todos os parâmetros, e marque a alternativa que apresenta as dimensões corretas para as alturas Q e He, para a largura do piso P e as dimensões X e Y, apontadas no desenho.
Obs.: A altura He se refere à altura para o espelho de um degrau.

Provas
O desenho abaixo apresenta uma planta de uma escada destinada a saída de emergência. De acordo com os preceitos da NBR 9077, a opção que apresenta as dimensões mínimas para as cotas A, C, G e P (vão luz), respectivamente, são

Provas
O Decreto estadual n° 2423-R/2009 regulamenta o Sistema de Segurança Contra Incêndio e Pânico – SISCIP. O Processo de Segurança Contra Incêndio e Pânico (PSCIP) é o meio pelo qual uma edificação ou área de risco obtém, por meio de análise e vistoria feita pelo Corpo de Bombeiros, o visto no projeto técnico e o Alvará.
Considerando o exposto acima, analise as afirmativas abaixo:
I – Edificações residenciais e não residenciais, com altura menor ou igual a 6,00m (seis metros) e cuja área total construída seja menor ou igual a 900,00m2 estão excluídas das exigências do Decreto 2423-R;
II – Edificações residenciais unicamente unifamiliares estão excluídas das exigências do Decreto 2423-R;
III – Para efeito do Decreto 2423-R, a altura da edificação é a medida entre o nível do terreno circundante à edificação ou via pública e o piso do último pavimento, excluindo os pavimentos superiores destinados exclusivamente a casa de máquinas, barriletes, reservatórios de água e assemelhados;
IV – Para efeito do dimensionamento das saídas de emergência, a altura será medida, em metros, entre o ponto que caracteriza a saída no nível de descarga e o piso do último pavimento.
As afirmativas que apresentam situações corretas são
Provas
Segundo a Norma Técnica 01/2010, do Corpo de Bombeiros Militar do Espírito Santo, em sua Parte 2, de acordo com as características do Processo de Segurança Contra Incêndio e Pânico, há tipos diferentes de Projeto Técnico, como: Projeto Novo; Projeto de Modificação; Projeto de Substituição; Projeto de Regularização e Projeto de Adequação.
Em relação ao Projeto de Modificação, o critério é que a edificação já possua projeto técnico anterior e que passe por modificações dentro de certas condições a partir das quais devam ter seu Projeto Técnico modificado.
Marque a opção que apresenta situação que NÃO se enquadra no contexto de Projeto de Modificação.
Provas
A Lei 12.378/2010 diz que o arquiteto deve pautar sua conduta no Código de Ética e apresenta algumas infrações. As ações abaixo constituem infrações disciplinares, EXCETO:
Provas
A Lei n° 12.378/2010 cria o Conselho de Arquitetura e Urbanismo do Brasil – CAU/BR e os dos Estados e do Distrito Federal. Ela também posiciona o CAU como responsável pela regulamentação do exercício da profissão de Arquiteto e Urbanista.
As atividades relacionadas abaixo estão de acordo com as atribuições do Arquiteto e Urbanista, EXCETO:
Provas
A Resolução n° 307, de 05 de julho de 2002, foi publicada pelo Conselho Nacional do Meio Ambiente – CONAMA, com o objetivo de estabelecer diretrizes, critérios e procedimentos para a gestão dos resíduos da Construção Civil. Ela sofreu algumas alterações pelas resoluções n° 348/04 e n°431/11 e mudanças mais importantes pela Resolução n° 448/12, quando vários artigos foram revogados ou alterados.
Considerando o exposto acima, analise as afirmativas abaixo.
I - Os resíduos de Classe A são os recicláveis ou reutilizáveis como agregados, como os oriundos de obras de pavimentação, de terraplanagem, argamassas e componentes cerâmicos.
II – Os resíduos da construção civil poderão ser dispostos em aterros de resíduos sólidos urbanos e em áreas de bota fora.
III – Os Planos de Gerenciamento de Resíduos deverão contemplar as seguintes etapas: 1) Caracterização; 2) Triagem; 3) Acondicionamento; 4) Transporte e 5) Destinação.
IV – Os geradores de resíduos deverão ter como objetivo prioritário a redução, a reutilização, a reciclagem, o tratamento dos resíduos sólidos e a disposição final ambientalmente adequada dos rejeitos.
Marque a alternativa que contém APENAS as afirmativas que são corretas.
Provas
Caderno Container