Foram encontradas 919 questões.
Nas alternativas a seguir estão listadas características dos motores com Ciclo Otto, EXCEÇÃO DE UMA. Assinale-a.
Provas
- Sistemas Termomecânicos
- TermodinâmicaLeis e Propriedades da Termodinâmica
- TermodinâmicaTransferência de Calor (Condução, Convecção e Radiação)
O ciclo teórico mostrado na figura abaixo passou a ser denominado ciclo de Otto. Basicamente esse ciclo é constituído de quatro processos (Processo de Compressão Adiabática, Processo de Aquecimento Isométrico de Calor, Processo de Expansão Adiabática e Processo de Rejeição Isométrica de Calor), que são os caminhos entre um ponto e outro do diagrama da figura a seguir:

Assinale a alternativa que represente a sequência dos processos indicados na figura.
Provas
Os motores de 2 tempos do Ciclo Otto apresentam vantagens e desvantagens. Assinale a alternativa que apresente uma desvantagem em relação a um motor de 4 tempos.
Provas
Considere o circuito elétrico em paralelo apresentado abaixo:

Calcule os valores da Resistência Equivalente e a corrente fornecida pela fonte de energia e assinale a alternativa correta.
Provas
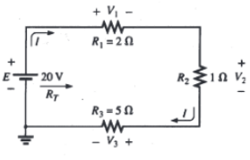
Considere o circuito elétrico em série apresentado abaixo:

Calcule os valores da Resistência Equivalente e a Tensão total (V) em todos os resistores e assinale a alternativa correta.
Provas
Na distribuição, na geração e até na utilização da energia elétrica, normalmente é necessário alterar o valor da tensão elétrica em um circuito elétrico, e, para isso, utilizamos um transformador, que é um dispositivo que funciona em corrente alternada, capaz de alterar o valor da tensão elétrica em um circuito por meio de duas ou mais bobinas acopladas em um núcleo de material ferromagnético.
Assinale a alternativa em que se indique corretamente o princípio da física que rege o funcionamento de um transformador.
Provas
Geradores são equipamentos projetados com a finalidade de converter em energia elétrica outras formas de energia, como a mecânica.
Abaixo temos o exemplo de um gerador de energia diesel e suas principais partes.

Assinale a alternativa que identifique corretamente o componente responsável por transformar a energia mecânica produzida pelo motor em energia elétrica. Esse componente é composto de peças móveis e estacionárias que trabalham em conjunto e criam um movimento entre os campos magnético e elétrico, gerando a eletricidade.
Provas
Um gerador fornece 100 V ao enrolamento primário de um transformador, que possui 50 espiras. Se o enrolamento secundário possui 500 espiras, qual é a tensão no secundário?
Provas
A Lei de Lenz é aplicada direta ou indiretamente em alguns equipamentos:
I. geradores elétricos e transformadores;
II. detectores de metais e freio magnético;
III. placas fotovoltaicas e baterias.
Analise os itens acima e assinale
Provas
A Lei de Faraday não conseguiu determinar com clareza como ocorre a variação de sentido da corrente induzida. A partir da observação de que o sentido da corrente induzida é tal que o campo produzido por ela se opõe à variação do fluxo magnético que a produziu, foi enumerada uma nova lei, que permitiu determinar o sentido da corrente elétrica. Assinale a alternativa que identifique corretamente essa lei.
Provas
Caderno Container