Foram encontradas 40 questões.
Observe os circuitos a seguir.

Os circuitos passivos I, II e III dispostos na figura representam, respectivamente,
Provas
Informe (V) para verdadeiro e (F) para falso acerca do que se afirma sobre o diodo.
( ) Na ausência de uma tensão de polarização, o fluxo resultante de carga em qualquer direção é diferente de zero.
( ) A corrente que surge sob condições de polarização reversa é chamada de corrente de saturação reversa.
( ) Um diodo semicondutor é polarizado diretamente quando a associação tipo p e positivo, e tipo n e negativo, for estabelecida.
( ) O potencial máximo de polarização reversa permitido para que o diodo não entre na região zener é chamado de tensão de pico reversa ou tensão de pico inversa.
( ) A tensão de polarização direta para alcançar a região de condução dos diodos de silício é da ordem de 0,3 V.
A sequência correta é
Provas
Observe o diagrama a seguir.

A expressão booleana que representa o diagrama lógico alimentado pelas entradas digitais “A”, “B”, “C”, “D”, “E” e “F” é descrita por
Provas
Considerando-se a expressão lógica a seguir, !$ Z \, = \, A\bar{B} \, + \, \overline{A \, (\bar{A} B)} \, + \, \overline{\bar{B} \, ({A} B)} \, + \, \bar{A}B, !$ é correto afirmar que Z = 0 quando
Provas
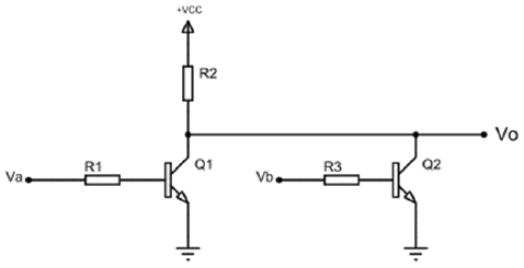
Utilizando o transistor bjt como chave e em função do nível lógico (alto ou baixo) de Va e Vb determine a saída Vo.

| Va | Vb | Vo |
| Baixo | Baixo | |
| Baixo | Alto | |
| Alto | Baixo | |
| Alto | Alto |
A sequência correta que apresenta a saída Vo do quadro anterior é
Provas
Informe (V) para verdadeiro e (F) para falso em relação às características dos transistores de efeito de campo.
( ) Possuem alta impedância de entrada.
( ) Possuem baixa impedância de entrada.
( ) São um dispositivo controlado à corrente.
( ) São um dispositivo controlado à tensão.
( ) Existem transistores de efeito de campo canal n e canal p.
A sequência correta é
Provas
Determine no transistor BJT a corrente de base (Ib), corrente do coletor (Ic) e a diferença de potencial entre o coletor e o emissor (Vce) para o circuito a seguir, onde a diferença de potencial entre a base e o emissor (Vbe) = 1V e o ganho da corrente (!$ \Beta !$) = 100.

Os valores de Ib, Ic e Vce são, respectivamente,
Provas
Observe a figura a seguir.

Considerando-se que os diodos do circuito foram modelados como ideais, os valores das quedas de tensão nos diodos D1 e D2 e da resistência R1 são, respectivamente,
Provas
Considere uma palavra digital de 3 bits, B=b2b1b0 usada para representar um sinal analógico de tensão Va que varia entre 0V e +7V.
Qual valor de B para que Va seja igual a +2V, +4V, +5V e +7V, respectivamente?
Provas
Observe a figura a seguir.

É correto afirmar sobre a forma de onda acima, que a frequência, valor de pico, valor de pico a pico e valor RMS são, respectivamente,
Provas
Caderno Container