Foram encontradas 653 questões.
O manipulador robótico observado na imagem a seguir representa uma variante do modelo SCARA.

Sobre ele, é correto afirmar que possui
Provas
Considere o robô mostrado na figura a seguir, tentando alcançar um alvo atrás do obstáculo. Ele foi programado com o comportamento descrito na sequência de 1 até 6. Sensores de contato indicam a colisão com os obstáculos.

Para escapar dessa condição de mínimo local, basta mudar o comportamento de tal forma que o robô
Provas
Uma figura de mérito para avaliar sensores industriais é a relação entre o sinal e o ruído, chamada de SNR, do inglês Signal Noise Ratio. Calcule a relação SNR de um sinal cujo valor de tensão eficaz é 10V e seu ruído é 5mV, em dB.
O resultado está corretamente indicado em
Provas
Com relação à estratégia de controle via torque computado NÃO é correto afirmar que
Provas
Uma característica importante dos robôs industriais é sua versatilidade, a qual permite que sejam programados para executar atividades distintas. Avalie as afirmações sobre as maneiras de programação de tais dispositivos.
I - Na programação por aprendizagem, o operador humano posiciona as juntas em configurações sequenciais da trajetória desejada, usando um dispositivo eletrônico, que pode ser um joystick. Essas configurações são armazenadas pelo robô e repetidas durante a execução.
II - Uma das desvantagens da programação por aprendizagem consiste na impossibilidade de executar o aprendizado com carga sendo transportada pelo efetuador do manipulador robótico.
III - Na programação por linguagem textual, o operador deve usar uma linguagem de programação, geralmente com termos de língua inglesa, visando codificar instruções no programa.
IV - A programação mecânica consiste em usar chaves fim-de-curso, contatores elétricos, batentes e cames para estabelecer os pontos extremos de cada junta, sendo recomendada para tipos de programação mais sofisticados.
Está correto apenas o que se afirma em
Provas
Informe se é verdadeiro (V) ou falso (F) o que se afirma sobre algoritmos de planejamento de caminho.
( ) Os algoritmos baseados em campos potenciais são suscetíveis a problemas de não convergência, devido a mínimos locais.
( ) O algoritmo Mapa de Rotas Probabilístico é considerado como capaz de resolver várias instâncias do problema de planejamento, em um mesmo ambiente.
( ) O método de planejamento baseado no Diagrama de Voronoi tem a propriedade de minimizar a distância do robô aos obstáculos.
( ) O método de planejamento baseado no Grafo de Visibilidade tem a propriedade de maximizar a distância do robô aos obstáculos.
A sequência correta é
Provas
Analise as asserções a seguir e a relação proposta entre elas.
I - Na robótica móvel, em se tratando de algoritmos de planejamento de caminhos, são desejáveis como características: possibilidade de cálculo em tempo de execução; tratamento de obstáculos complexos; facilidade de implementação; lidar com incertezas
PORQUE
II - tais robôs podem ser usados em ambientes bem estruturados, esparsos, com iluminação uniforme e com poucas fontes de distúrbios.
A respeito das asserções, é correto afirmar que
Provas
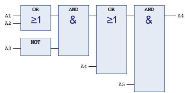
Observe o programa em diagrama de blocos funcionais a seguir.

Ele pode ser descrito em Texto Estruturado como
Provas
Considerando-se o programa em Ladder apresentado a seguir, assinale o programa em Texto Estruturado cujo comportamento mais se aproxima do comportamento do programa em Ladder.

Provas
Sensores resistivos, como RTDs, normalmente podem ser conectados a 2, 3 ou 4 fios para tentar compensar os efeitos das resistências das ligações. Sobre estas conexões, avalie o que se afirma a seguir.
I - Na conexão a dois fios, os valores das resistências dos fios são medidos em conjunto com a resistência do elemento sensor, sem compensação.
II - Na conexão a três fios, se todos os fios forem idênticos (em termos de resistência) é possível compensar o efeito das resistências dos fios e se obter apenas a resistência do elemento sensor.
III - Na conexão a quatro fios, independente da resistência individual de cada fio, é possível se compensar exatamente o efeitos das resistências dos fios, obtendo- se apenas a resistência do elemento sensor.
É certo afirmar que
Provas
Caderno Container