Foram encontradas 50 questões.
Assinale a alternativa que preenche correta e respectivamente, as lacunas no texto a seguir. Cargas indutivas, tais como motores e transformadores (equipamentos com bobinas), produzem potência reativa com a onda de corrente em relação à tensão. Cargas capacitivas, tais como bancos de capacitores ou cabos elétricos enterrados, produzem potência reativa com corrente em relação à tensão.
Provas
A questão deve ser respondidas de acordo com o circuito elétrico da figura a seguir, considerando que os fios e cabos condutores de eletricidade possuam resistência zero.

Se um técnico de laboratório montar esse circuito em uma bancada e começar a testar com um voltímetro a d.d.p. entre os pontos assinalados, em qual das situações a seguir ele encontraria tensão zero?
Provas
A questão deve ser respondidas de acordo com o circuito elétrico da figura a seguir, considerando que os fios e cabos condutores de eletricidade possuam resistência zero.

Determine a d.d.p. (diferença de potencial) entre os pontos D e E.
Provas
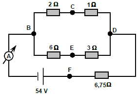
A questão deve ser respondidas de acordo com o circuito elétrico da figura a seguir, considerando que os fios e cabos condutores de eletricidade possuam resistência zero.

Determine a corrente elétrica acusada no amperímetro ideal A.
Provas
Um multímetro é um aparelho destinado a medir e avaliar grandezas elétricas. Sobre ele é INCORRETO afirmar que:
Provas
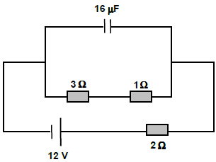
A questão deve ser respondidas de acordo com o circuito elétrico da figura a seguir, considerando que os fios e cabos condutores de eletricidade possuam resistência zero.

Após um certo tempo de funcionamento do circuito, qual será a carga armazenada no capacitor de 16 \( \mu \)F?
Provas
A questão deve ser respondidas de acordo com o circuito elétrico da figura a seguir, considerando que os fios e cabos condutores de eletricidade possuam resistência zero.

Após um certo tempo de funcionamento do circuito, qual será a diferença de potencial entre as armaduras do capacitor de 16 \( \mu \)F?
Provas
De acordo com o sistema elétrico a seguir, é CORRETO afirmar que:

Provas
Analise as afirmativas sobre corrente alternada e assinale a alternativa correspondente.
I- É uma corrente elétrica cujo sentido varia no tempo, ao contrário da corrente contínua, cujo sentido permanece constante ao longo do tempo.
II- A forma de onda usual em um circuito de potência CA é senoidal.
III- Foi adotada para transmissão de energia elétrica a longas distâncias, devido à facilidade relativa que esta apresenta para ter o valor de sua tensão alterada por intermédio de transformadores.
Provas
O triângulo retângulo da figura a seguir representa a relação entre as potências de um sistema elétrico não puramente resistivo. Assinale a alternativa que apresenta as letras que representam as potências: aparente, ativa e reativa, nessa sequência.

Provas
Caderno Container