Foram encontradas 760 questões.
Sensores de deslocamento são utilizados para medir a distância que um objeto se move, sendo essenciais em controle de processos e automação.
Com base nisso, assinale a alternativa que apresenta um sensor de deslocamento.
Provas
Os sistemas digitais transformaram a maneira como processamos, armazenamos e manipulamos dados no mundo moderno. Eles são essenciais para a computação e para uma variedade de aplicações tecnológicas.
Considerando isto, assinale a alternativa que apresenta a representação binária para o número decimal 345.
Provas
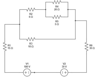
O circuito representado na figura a seguir é composto por duas fontes de tensão CC e seis resistores.

Assinale a alternativa que apresenta a tensão no resistor R6 em volts e a potência consumida pelo resistor R3 em watts.
Provas
Transistores são fundamentais na construção de circuitos digitais e analógicos.
Sendo assim, assinale a alternativa que apresenta uma aplicação direta de um transistor em um circuito digital.
Provas
Disciplina: Segurança e Saúde no Trabalho (SST)
Banca: FUNDEP
Orgão: HRTN-MG
Os trabalhadores dos serviços de saúde estão expostos a diversos riscos ocupacionais que levam à implementação de medidas de proteção à segurança e à saúde.
Em relação aos trabalhadores sujeitos a exposição ocupacional de radiações ionizantes, assinale a alternativa correta.
Provas
Disciplina: Segurança e Saúde no Trabalho (SST)
Banca: FUNDEP
Orgão: HRTN-MG
As Normas Regulamentadoras são um conjunto de regras e diretrizes a serem cumpridas por trabalhadores e empregadores, com o objetivo de garantir a saúde, a segurança e a qualidade de vida no ambiente de trabalho.
Em relação ao que é estabelecido pelas Normas Regulamentadoras, analise as afirmativas a seguir.
I. Um estabelecimento de saúde com carga instalada de 80 kW deve constituir e manter o Prontuário de Instalações Elétricas, sendo que dois dos itens que devem compor o prontuário são: esquemas unifilares atualizados das instalações elétricas e documentação das inspeções e medições do sistema de proteção contra descargas atmosféricas e aterramentos elétricos.
II. Os trabalhadores encarregados da limpeza nos serviços de saúde devem receber capacitação inicial e contínua abrangendo princípios de higiene pessoal, riscos biológicos e químicos, sinalização, rotulagem, utilização de equipamentos de proteção individual (EPI) e equipamentos de proteção coletiva (EPC), além de procedimentos em situações de emergência.
III. Um hospital com 150 empregados, obrigado a constituir a CIPA, deve fixar os procedimentos para recebimento e acompanhamento de denúncias dos atos de assédio sexual e de violência, garantindo o anonimato da pessoa denunciante, sem prejuízo dos procedimentos jurídicos cabíveis.
Estão corretas as afirmativas
Provas
Disciplina: Segurança e Saúde no Trabalho (SST)
Banca: FUNDEP
Orgão: HRTN-MG
Em relação às atribuições e ao programa de atividades da brigada de incêndio, assinale a alternativa correta.
Provas
Disciplina: Segurança e Saúde no Trabalho (SST)
Banca: FUNDEP
Orgão: HRTN-MG
Os agentes biológicos são classificados de acordo com as classes de risco.
Sendo assim, assinale a alternativa que apresenta a classe de risco dos agentes biológicos que causam patologias humanas, potencialmente letais.
Provas
Disciplina: Segurança e Saúde no Trabalho (SST)
Banca: FUNDEP
Orgão: HRTN-MG
No contexto da legislação brasileira, assinale a alternativa que apresenta um caso que pode ser considerado acidente do trabalho.
Provas
A administração de oxigênio suplementar é uma das terapias mais utilizadas em Unidades de Terapia Intensiva em recém-nascidos (RN) com disfunções cardiorrespiratórias.
Com relação aos recursos de oxigenoterapia em neonatologia e pediatria, analise as afirmativas a seguir.
I. A cânula nasal simples consiste em um sistema de baixo fluxo de ar em que a FiO2 varia de acordo com a inspiração do RN. Quanto menor o pico inspiratório, maior o arrastamento de ar ambiente, diminuindo assim a FiO2 ofertada. Sua suplementação oferece uma fração estimada máxima em aproximadamente 85%, sendo mais efetiva para RN com hipoxia grave.
II. A ventilação por cânula nasal de alto fluxo de oxigênio (CNAF) diminui o trabalho respiratório, melhora a oxigenação e reduz as taxas de intubação. O circuito da CNAF pode fornecer uma FiO2 de até 100%, fluxo máximo de 60 L/min e proporciona certo valor de pressão positiva na via aérea.
III. Os efeitos fisiológicos do CNAF são otimizar o controle sobre a FiO2 ofertada, realizar a diluição do CO2 exalado, reduzir o espaço morto anatômico, umidificar e aquecer o ar inalado em simulação próxima às condições da via aérea superior.
IV. Os métodos não invasivos de administração de oxigênio (halo cefálico, tenda de oxigênio e incubadora de fluxo interno) apresentam como vantagens o oxigênio ser canalizado para um recipiente de entrada e a FiO2 real poder ser determinada com precisão por meio de um analisador de oxigênio colocado próximo à boca do RN. As desvantagens são o risco de obstrução das vias aéreas pelo sistema, a distensão gástrica do RN e, em casos de alto fluxo de oxigênio, pode ocorrer uma toxicidade por CO2 .
Estão corretas as afirmativas
Provas
Caderno Container