Foram encontradas 970 questões.
A Camada de Enlace de Dados de uma Arquitetura DeviceNet está definida pela especificação CAN (Controller Area Network) e pela implementação de chips de controlador CAN; vários tipos de frames são definidos pelo CAN.
Assinale o INCORRETO.
Provas
Na imagem R(s); C(s); Y(s); e, L(s) são, respectivamente:

Provas
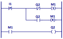
O diagrama Ladder possui uma função de detecção de borda de subida por I1 e saídas Set e Reset em M1.

A ação ocorrida sobre Q2 é:
Provas
O instrumento TC e TT na malha de controle a seguir são identificados, respectivamente, como:

Provas
As expressões lógicas que representam o diagrama de comandos são:

Provas
Assinale, a seguir, a função da lógica Ladder.

Provas
A corrente de coletor para o circuito (considere transistor de silício) é de, aproximadamente:

Provas
Observe a imagem a seguir:

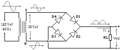
A tensão média na carga RL, supondo diodos de silício é de, aproximadamente:
Provas
O circuito trata-se de um controlador PID que utiliza amplificadores operacionais. A numeração identifica ações matemáticas do controlador. Observe:

A associação está correta em
Provas
Considere o circuito a seguir:

Podemos afirmar que a tensão na carga RL é:
Provas
Caderno Container