Foram encontradas 970 questões.
- Sistemas TermomecânicosSistemas de Refrigeração (ciclo, componentes e psicrometria)
- Sistemas TermomecânicosRefrigeração e Climatização
Os sistemas de refrigeração e ar-condicionado exigem uma criteriosa seleção de equipamentos, bem como o dimensionamento dos dutos de distribuição de ar. O caminho dos dutos deve ser o mais direto possível e, ainda, considerar as interferências da estrutura e demais instalações e serviços. Diante do exposto, é correto afirmar que:
Provas
Para a elaboração adequada do projeto de instalações de ar-condicionado, em atendimento às exigências de desempenho e normas relacionadas, o cálculo da carga térmica e da vazão de ar são fundamentais. Sobre o cálculo de carga térmica para ambientes condicionados, assinale a afirmativa correta.
Provas
Equipamentos como reatores, trocadores de calor e caldeiras têm a durabilidade e o desempenho afetados pela deterioração causada pela corrosão. Em relação ao processo de corrosão e os tratamentos adotados para evitá-la, é correto afirmar que:
Provas
Para o trabalho em máquinas e equipamentos, medidas de proteção capazes de resguardar a saúde e a integridade física dos trabalhadores devem ser adotadas. Nesse sentido, analise as afirmativas a seguir.
I. As mangueiras utilizadas em sistemas pressurizados devem possuir indicação da pressão máxima de trabalho admissível especificada pelo fabricante.
II. Os dispositivos de parada de emergência podem ser utilizados também como dispositivos de partida ou de acionamento.
III. Em locais de instalação de máquinas e equipamentos, as áreas de circulação devem ser mantidas desobstruídas.
IV. Os sistemas pressurizados das máquinas devem possuir meios ou dispositivos destinados a garantir que a pressão máxima de trabalho admissível nos circuitos possa ser excedida.
Está correto o que se afirma apenas em
Provas
A melhoria dos resultados de uma empresa deve ser feita de forma estruturada e todos devem estar envolvidos na solução dos problemas. Nesse sentido, o Método de Análise e Solução de Problemas (MASP) é um modelo ordenado e sistemático com fases e objetivos bem definidos para o desenvolvimento de um processo de solução e melhoria. Essenciais para mitigar problemas e evitar reincidências, treinamentos são geralmente empregados nas fases de:
Provas
O estudo de uma substância demonstra o gráfico de diagrama de fases, considerando que tal substância teve uma expansão isotérmica a partir do estado B:

Diante da hipótese apresentada, a substância estudada sofreu qual alteração de estado?
Provas
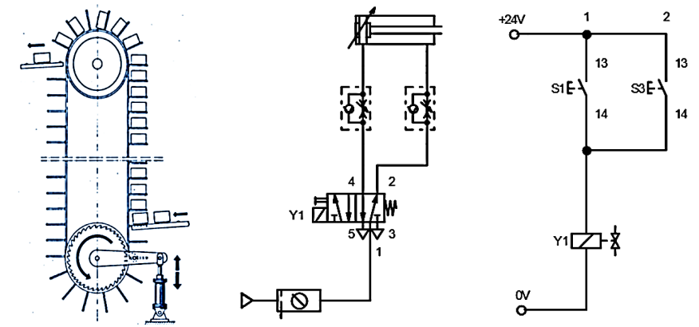
Observe a imagem de um transportador de cargas vertical movido por um cilindro pneumático. Os circuitos simplificados pneumático e elétrico estão evidenciados a seguir.

De acordo com o projeto eletropneumático apresentado, assinale a afirmativa INCORRETA.
Provas
Em um tanque de combustível foi depositado acidentalmente gasolina em um reservatório de glicerina, conforme a imagem a seguir. Para que o processo de separação dos produtos seja mais eficaz e não seja um processo longo de novo refinamento, optou-se por recolher a gasolina primeiramente, através de bombeamento pela superfície e, posteriormente, a glicerina seria escoada pelo bujão abaixo do tanque. Sabe-se que o volume de glicerina é de 3.000 litros notanque que se encontra aberto para a atmosfera. A engenharia então, através de um manômetro situado no ponto C verificou que a pressão é de 35 kPa.

Considerando que o tanque é de cilindro com uma área da seção de 3 m2, determine o volume de gasolina que deverá ser bombeada, para separar os dois subprodutos do petróleo.
(Considere: ρágua = 1.000 kg/m3 ; ρglic = 1.260 kg/m3; Dgas.= 0,715; Patm =101,3 kPa; g = 10 m/s2 e 1 pé (foot) = 30,48 cm.)
Provas
O Microsoft Project é um software de gestão e gerenciamento de projetos bastante utilizado no ambiente empresarial; trata-se de uma ferramenta eficaz que auxilia no planejamento e na execução, permitindo a visualização geral dos programas e projetos como o gerenciamento de recursos, custos, análise de risco e cronograma. Dentro de um projeto é possível vincular tarefas para mostrar a dependência e a relação entre elas. Em relação ao vínculo do tipo Início-a-Término (IT), é correto afirmar que uma tarefa dependente B não poderá:
Provas
Em um duto de água de determinado sistema de refrigeração foi colocado um tubo de Venturi composto por um manômetro de coluna em “U”, cujo fluido é mercúrio com massa específica de 13.000 kg/m³. Sabe-se que razão entre a área de seção transversal a montante e da seção transversal do Venturi é 2.

Se o desnível do fluido manométrico é 300 mm, qual é o valor da velocidade da água no ponto A?
(Considere a massa específica da água igual a 1.000 kg/m³ e a aceleração da gravidade igual a 10 m/s².)
Provas
Caderno Container