Foram encontradas 944 questões.
Silvio Yasui e Abílio Costa-Rosa, no artigo intitulado “A Estratégia Atenção Psicossocial: desafio na prática dos novos dispositivos de saúde mental”, afirmam que: “As transformações propostas pelo complexo campo da _______ apresentam grandes desafios, especialmente aos profissionais de saúde que cotidianamente têm a tarefa de expandir e consolidar essa mudança. Para isso, seus principais instrumentos são: sua ________, que faculte a redefinição e reorganização de seu processo de trabalho, e a articulação das alianças, ou mesmo forças antagônicas, entre os diferentes setores da sociedade; em suma, que viabilize a criação e expansão concretas de uma rede de atenção e cuidados baseada em um território e pautada nos princípios de _________ e _________”.
Assinale a alternativa que completa, correta e respectivamente, as lacunas do trecho acima.
Provas
Considere as afirmativas abaixo sobre a qualidade do ar em ambientes climatizados segundo a ABNT NBR 16.401-3 – Instalações de ar-condicionado – Sistemas centrais e unitários – Parte 3: Qualidade do ar interior – e assinale a afirmativa INCORRETA.
Provas
Considere as Regras Deontológicas constantes no Código de Ética Profissional do Servidor Público Civil do Poder Executivo Federal e analise as afirmativas abaixo.
I - A função pública deve ser tida como exercício profissional e, portanto, integra-se à vida particular de cada servidor público.
II - O trabalho desenvolvido pelo servidor público perante a comunidade deve ser entendido como acréscimo ao seu próprio bem-estar.
III - A moralidade da Administração Pública não se limita à distinção entre o bem e o mal, devendo ser acrescida da ideia de que o fim é sempre o bem individual.
Quais estão corretas?
Provas
De acordo com a Lei nº 8.080, de 19 de setembro de 1990, NÃO é (são) objetivo(s) do Sistema Único de Saúde (SUS)
Provas
Considere a NR-32, norma técnica que estabelece as diretrizes básicas para a implementação de medidas de proteção à segurança e à saúde dos trabalhadores dos serviços de saúde, e assinale as ações com P (permitido) ou V (vedado) com relação aos gases medicinais.
( ) Transferir gases de um cilindro para outro.
( ) Transportar cilindros em posição vertical.
( ) Utilizar cilindro com válvula de retenção.
( ) Utilizar cilindros com identificação do gás.
( ) Utilizar ar comprimido para fins diversos.
A sequência correta de preenchimento dos parênteses, de cima para baixo, é
Provas
Analise as descrições de falha de motores elétricos de C.A. abaixo.
I - Interrupção do circuito de trabalho ou auxiliar dos estatores monofásicos, causada pela interrupção na alimentação de uma das bobinas, no condensador ou no interruptor centrífugo.
II - Interrupção em uma das fases do rotor bobinado, que pode ser devida à falta de contato das escovas com os anéis, ligações não executadas ou bobinas interrompidas.
III - A interrupção em uma das fases do estator trifásico transforma o enrolamento em monofásico. Nesse caso, o torque fica reduzido na partida, mas, ao atingir a rotação nominal, o torque será normalizado.
Quais estão corretas?
Provas
Analise as causas de falha abaixo.
I - Baixa tensão de linha.
II - Pressão de descarga reduzida.
III - Perda de fluido refrigerante.
Quais provocam a queima de um motor de compressor hermeticamente selado?
Provas
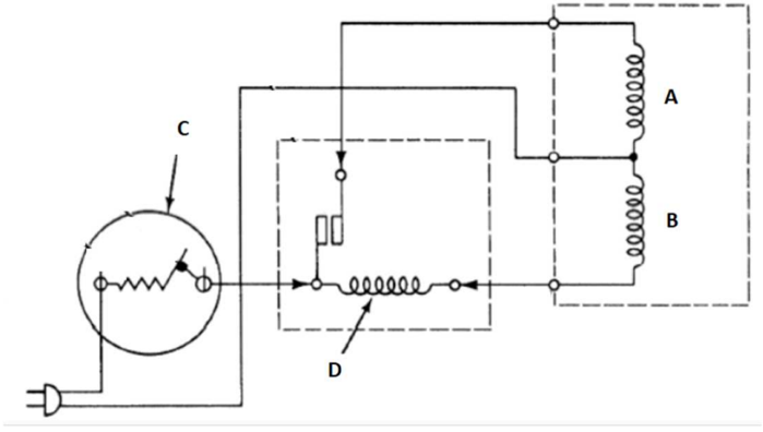
Analise o diagrama elétrico de um refrigerador doméstico apresentado na figura.

Assinale a alternativa que identifica, correta e respectivamente, os itens “A”, “B”, “C” e “D”.
Provas
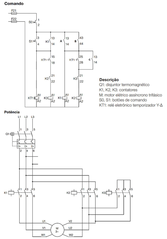
Analise o diagrama elétrico abaixo, de uma chave de partida do tipo estrela-triângulo para um motor trifásico.

Com base no diagrama e para o correto funcionamento do motor, devemos substituir respectivamente “A”, “B” e “C” por
Provas
Sobre a chave magnética para partida estrela-triângulo de motores elétricos trifásicos, analise as seguintes características.
I - Elevado conjugado (torque) na partida.
II - Permite elevado número de manobras.
III - Baixa corrente de partida.
IV - Reduz o stress elétrico e mecânico do motor.
Quais características apresentadas sobre a chave de partida estrela-triângulo estão corretas?
Provas
Caderno Container