Foram encontradas 458 questões.
As entradas A e B do circuito podem receber tensões de valor 0 V ou +5 V em relação ao terminal de massa.

Fazendo as combinações possíveis de tensões de entrada e analisando a saída, tem-se, em lógica positiva, uma função
Provas
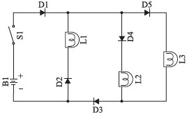
Observe a figura.

O valor da tensão e o da corrente pelo resistor de 2 kΩ, respectivamente, são
Provas
No circuito, supondo os diodos ideais, quando a chave (S1) é ligada, qual(is) lâmpada(s) acenderá(ão)?

Provas
Sobre “relacionamentos” em banco de dados, pode-se afirmar que
Provas
A herança entre entidades pressupõe que a “entidade filha”
Provas
Sobre “entidade” em banco de dados, pode-se afirmar que
Provas
O comando SQL que insere valores em determinados campos da tabela “itens” é
Provas
O comando SQL, que atualiza corretamente os registros da tabela “itens”, quando campo “valor” for menor que 50,00, é
Provas
O comando: SELECT * FROM itens WHERE codigo_pedido = ‘1’, serve para retornar
Provas
Disciplina: TI - Desenvolvimento de Sistemas
Banca: VUNESP
Orgão: FUNDUNESP
O comando: GenerateHTMLForm(0, “search.php”, “SEARCH”), serve para gerar um
Provas
Caderno Container