Foram encontradas 300 questões.
No contexto da implementação da Base Nacional Comum Curricular (BNCC), a área de Ciências da Natureza e suas Tecnologias propõe uma progressão da aprendizagem que respeita as fases de desenvolvimento do estudante, mas altera significativamente a profundidade e o foco da abordagem dos conteúdos de Física na transição do ensino fundamental II (Anos Finais) para o ensino médio.
Considere um planejamento docente que visa articular o conhecimento sobre eletromagnetismo. No 9o ano, o professor aborda a bússola e o campo magnético terrestre para explicar o funcionamento da orientação geográfica. Já no ensino médio, o foco recai sobre as leis de indução e o funcionamento de sensores para sistemas de segurança escolar.
Com base nas diretrizes da BNCC para a progressão do conhecimento físico, a principal diferença pedagógica entre a abordagem do ensino fundamental II e a do ensino médio é
Provas
Em um experimento de calibração de sensores de precisão em um laboratório de instrumentação, um pesquisador posiciona duas partículas carregadas, Q1 e Q2 , fixas em um plano horizontal isolante, conforme um sistema de coordenadas cartesianas. A partícula Q1 , com carga elétrica de +5,00 µC, é fixada no ponto (3,00; 0) metros, enquanto a partícula Q2 , com carga elétrica de -12,0µC, é fixada no ponto (-3,00; 0) metros
Considerando-se um ponto P localizado na posição (0;3,00) metros, o módulo do vetor campo elétrico resultante, gerado pelas duas cargas no ponto P, é, em kV/m,
Provas
No contexto de engenharia de comunicações, especificamente na calibração de sistemas radiantes para unidades de infantaria blindada, um especialista depara-se com uma unidade de medida composta, denominada hipoteticamente de a. Essa unidade é definida pela combinação de unidades fundamentais e derivadas conforme a expressão a seguir.
a = N . m . C-1 . A . s
Considerando-se que as unidades apresentadas na expressão pertencem ao Sistema Internacional de Unidades (SI) e tomando-se por base a análise dimensional e as relações entre as unidades do SI, conclui-se que a grandeza física que possui a como sua unidade de medida é a
Provas
Sabe-se que a função trabalho do potássio é de Considerando-se a constante de Planck multiplicada pela velocidade da luz como hc ≈ 1,24 × 103 eV . nm , o potencial de corte (ou potencial de frenagem) V0 necessário para anular a corrente fotoelétrica nesse experimento é, em V0, de
Provas
Disciplina: TI - Redes de Computadores
Banca: CESGRANRIO
Orgão: Fundação Osório
Uma rede de comunicações via rádio apresentou uma queda súbita de desempenho (latência elevada). Foram detectados problemas em cinco diferentes estações da rede. Houve a alocação de um engenheiro por estação e, juntos, conseguiram restabelecer o funcionamento pleno da rede através das seguintes estratégias:
• Engenheiro 1: Consultou a base de dados do fabricante, identificou um alerta de falha de sincronismo e executou a atualização de firmware recomendada pelo suporte técnico.
• Engenheiro 2: Seguiu rigorosamente o manual de procedimentos da instituição, acionando o sistema de redundância de hardware previsto para casos de instabilidade de sinal.
• Engenheiro 3: Optou pela substituição sequencial dos componentes físicos da estação (cabos, conectores e rádio) até que a rede voltasse a operar com 100% de eficiência.
• Engenheiro 4: Formulou a hipótese de refração anômala por gradiente térmico regional, monitorou o sinal isolando variáveis externas e validou matematicamente o modelo antes de realizar o ajuste físico.
• Engenheiro 5: Acionou a Inteligência Artificial especialista da empresa, que analisou milhões de logs e executou um ajuste paramétrico automático nos filtros digitais.
Considerando-se os fundamentos da metodologia científica e a evolução do pensamento científico (de Galileu), o profissional que utilizou o método científico em sua intervenção foi o
Provas
Em uma atividade prática de campo, um grupo de estudantes de Física analisa a propagação de ondas circulares na superfície de uma lagoa calma. Para isso, um estudante deixa cair uma pequena pedra na superfície da lagoa enquanto o seu colega utiliza a câmera de um celular para registrar o fenômeno. A câmera foi configurada para o modo de captura sequencial, realizando fotos em intervalos de tempo rigorosamente iguais a 0,500 s.
Para servir de escala de comprimento, uma régua de madeira de 50,0 cm de comprimento foi posicionada cuidadosamente sobre a superfície da água com o valor 0 coincidindo com o local onde a pedra bateu na água. A seguir, são apresentados esquemas baseados em duas fotos consecutivas (Foto 1 e Foto 2) tiradas pelo estudante.

Com base nas informações e na análise das imagens, a frequência das ondas produzidas na superfície da lagoa é, em Hz,
Provas
Durante uma expedição botânica, um grupo de pesquisadores utilizava lupas para análise de campo. Ao entrarem em uma gruta, um dos cientistas posicionou uma dessas lupas perto de uma das paredes internas da gruta e observou que se projetava nela uma imagem nítida da paisagem externa, porém invertida.
Desejando retificar a orientação da imagem para que ela fosse projetada de forma direta (direita) na parede da gruta, os pesquisadores discutiram a adição de uma segunda lente ao arranjo.
A configuração que permite obter uma imagem final que seja simultaneamente real e direta da paisagem externa é composta por
Provas
No século XVIII, um monarca europeu recebeu de presente uma barra maciça de um metal com brilho prateado, descrita como sendo platina, um metal extremamente valioso e denso. Suspeitando que pudesse ser uma liga de menor valor ou outro metal prateado, o rei solicitou à sua equipe científica que verificasse a autenticidade do material. Os cientistas realizaram dois procedimentos experimentais simples:
Pesagem: utilizando uma balança de precisão, determinaram que a massa da barra era de 1.785 g.
Medição de Volume: utilizaram o método de deslocamento de líquido, mergulhando a barra em um recipiente graduado contendo água; o nível da água subiu de 200 mL para 370 mL.
Os cientista também utilizaram a Tabela de Massas Específicas a seguir

Com base nos dados experimentais e na Tabela de Massas Específicas, o material da barra era
Provas
Durante uma prova de ciclismo de pista em um velódromo, um atleta percorre uma seção circular da pista. O raio da trajetória percorrida pelo ciclista é de 20,0 m, e ele completa uma volta inteira a cada 15,0 s.
Considere π = 3
O módulo da velocidade média tangencial do ciclista em m/s vale, aproximadamente,
Provas
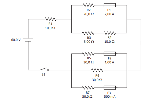
O sistema é alimentado por uma fonte de tensão contínua ideal de 60 V e contém uma chave S1 inicialmente aberta.
O circuito é protegido por três fusíveis: F1, F2 e F3, cujos valores nominais estão indicados na Figura. Os resistores são
todos ôhmicos, com valores indicados no esquema.
Após o fechamento da chave S1 e aguardado o tempo necessário para que qualquer eventual dispositivo de segurança
atue, a intensidade da corrente em A que atravessa o resistor R1 será deProvas
Caderno Container