Foram encontradas 120 questões.
Julgue o item a seguir, relativo a comunicações analógicas e digitais e a microcomputadores.
A modulação em amplitude é preferida na radiodifusão de áudio de alta qualidade, por ser menos suscetível a ruídos e permitir maior alcance de transmissão do que a modulação em frequência.
Provas
Julgue o item a seguir, relativo a comunicações analógicas e digitais e a microcomputadores.
Nos microcomputadores desktop, a RAM é utilizada para armazenar instruções permanentes, tal como o firmware responsável pela inicialização do sistema, enquanto a ROM é usada para armazenar temporariamente os dados e instruções dos programas em execução.
Provas

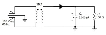
Com base nessas informações, julgue o item a seguir.
A tensão média sobre o resistor de carga RL é inferior a 16 V.
Provas

Com base nessas informações, julgue o item a seguir.
Um aumento de 10% no valor da capacitância de C1 provocaria um aumento na tensão de ripple na saída da fonte.
Provas

A sequência de estados gerada pelo circuito, a partir de Q1Q0 = 00, é 00, 01, 10, 11, 00, 01, e assim por diante.
Provas
| A | B | C | D | S |
|---|---|---|---|---|
| 0 | 0 | 0 | 0 | 1 |
| 0 | 0 | 0 | 1 | 0 |
| 0 | 0 | 1 | 0 | 1 |
| 0 | 0 | 1 | 1 | 0 |
| 0 | 1 | 0 | 0 | 0 |
| 0 | 1 | 0 | 1 | 0 |
| 0 | 1 | 1 | 0 | 1 |
| 0 | 1 | 1 | 1 | 1 |
| 1 | 0 | 0 | 0 | 1 |
| 1 | 0 | 0 | 1 | 0 |
| 1 | 0 | 1 | 0 | 1 |
| 1 | 0 | 1 | 1 | 0 |
| 1 | 1 | 0 | 0 | 1 |
| 1 | 1 | 0 | 1 | 1 |
| 1 | 1 | 1 | 0 | 0 |
| 1 | 1 | 1 | 1 | 1 |
Considerando que na tabela verdade precedente é definida a lógica de saída (S) em função das entradas A, B, C e D, no contexto de um circuito digital combinacional, julgue o item a seguir.
A expressão booleana mínima, na forma soma de produtos, da saída , em função das entradas A, B, C e D, é dada por \(S = \overline{B}\overline{D} + BCD + AB\overline{C}.\)
Provas
| A | B | C | D | S |
|---|---|---|---|---|
| 0 | 0 | 0 | 0 | 1 |
| 0 | 0 | 0 | 1 | 0 |
| 0 | 0 | 1 | 0 | 1 |
| 0 | 0 | 1 | 1 | 0 |
| 0 | 1 | 0 | 0 | 0 |
| 0 | 1 | 0 | 1 | 0 |
| 0 | 1 | 1 | 0 | 1 |
| 0 | 1 | 1 | 1 | 1 |
| 1 | 0 | 0 | 0 | 1 |
| 1 | 0 | 0 | 1 | 0 |
| 1 | 0 | 1 | 0 | 1 |
| 1 | 0 | 1 | 1 | 0 |
| 1 | 1 | 0 | 0 | 1 |
| 1 | 1 | 0 | 1 | 1 |
| 1 | 1 | 1 | 0 | 0 |
| 1 | 1 | 1 | 1 | 1 |
Considerando que na tabela verdade precedente é definida a lógica de saída (S) em função das entradas A, B, C e D, no contexto de um circuito digital combinacional, julgue o item a seguir.
O consumo de energia e o tempo de comutação do circuito digital cuja resposta é a expressão booleana correspondente à tabela verdade em questão serão menores se o circuito for implementado com o uso de portas NMOS que com o uso de portas CMOS.
Provas

Com base no circuito precedente, julgue o item subsequente.
Na frequência de 0 Hz, o ganho do circuito é negativo, com valor igual a −5.
Provas

Com base no circuito precedente, julgue o item subsequente.
Considere que, nas entradas inversora e não inversora do amplificador operacional, as correntes de polarização sejam não nulas e iguais. Nesse caso, para compensar um possível erro de offset DC devido ao efeito das correntes de polarização, é correto inserir um resistor de 5 kΩ entre o potencial de terra e a entrada não inversora.
Provas

Com base no circuito precedente, julgue o item subsequente.
O circuito apresentado é um filtro passa-baixa cuja frequência de corte é 10 kHz.
Provas
Caderno Container