Foram encontradas 1.565 questões.

Um violão é um instrumento de cordas tensionadas por um trasto que, ao ser tangido, vibra em frequências características. A nota musical está relacionada com a frequência fundamental de cada corda.
Considerando essas informações e a figura precedente, julgue o próximo item.
Caso se diminua o tamanho da corda do violão e se pressione o dedo em uma casa do braço desse instrumento, diminui-se a altura da nota do violão, ou seja, diminui-se a frequência emitida.
Provas
- EletromagnetismoElétricaCircuitos Elétricos Especiais: Leis de Kirchhoff e Ponte de Wheatstone
- EletromagnetismoElétricaEletricidade
A partir dessas informações, julgue o item subsecutivo.
Se, ao percorrer a distância entre as placas do capacitor, uma carga de 10-1 C sofrer uma variação positiva de 20 J em sua energia cinética, o campo elétrico entre as placas desse capacitor será de 2.500 N/C.
Provas
A partir dessas informações, julgue o item subsecutivo.
Tanto nas regiões externas da placa positiva quanto nas da placa negativa, os campos elétricos são diferentes de zero e têm sentidos opostos.
Provas
- EletromagnetismoElétricaCircuitos Elétricos Especiais: Leis de Kirchhoff e Ponte de Wheatstone
- EletromagnetismoElétricaEletricidade
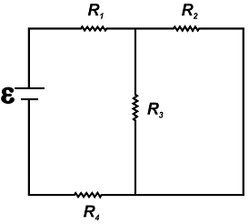
A figura a seguir ilustra um circuito constituído por uma bateria ideal de força eletromotriz ε = 20 V e quatro resistores idênticos com resistências iguais a 10 Ω cada uma.

Com base nessas informações, julgue o item a seguir.
A corrente que flui no resistor R1 é superior a 0,7 A.
Provas
- Mecânica ClássicaDinâmicaQuantidade de Movimento, Impulso e ColisõesImpulso e Quantidade de Movimento
- Mecânica ClássicaDinâmicaQuantidade de Movimento, Impulso e ColisõesColisão
A partir dessa situação hipotética, julgue o item a seguir, considerando que o módulo da aceleração da gravidade seja de 10 m/s2 .
A velocidade média do automóvel, na primeira fase do teste, foi superior a 15 m/s.
Provas
Com relação a algumas características dos instrumentos de medida paquímetro, micrômetro, dinamômetro e osciloscópios, normalmente encontrados em um laboratório de física básica, julgue o item subsequente.
A sensibilidade de um dinamômetro é proporcional à constante de restituição da mola que o constitui: quanto maior a constante de restituição da mola, mais sensível é o instrumento e mais adequado para medir pequenas forças.
Provas
Com relação a algumas características dos instrumentos de medida paquímetro, micrômetro, dinamômetro e osciloscópios, normalmente encontrados em um laboratório de física básica, julgue o item subsequente.
Em geral, micrômetros possuem precisão entre 0,1 mm e 0,5 mm.
Provas
- Mecânica ClássicaDinâmicaQuantidade de Movimento, Impulso e ColisõesImpulso e Quantidade de Movimento
- Mecânica ClássicaDinâmicaQuantidade de Movimento, Impulso e ColisõesColisão
A partir dessa situação hipotética, julgue o item a seguir, considerando que o módulo da aceleração da gravidade seja de 10 m/s2 .
Considerando-se apenas a fase da arrancada, se a mesma velocidade final fosse atingida na metade do tempo, o trabalho da força resultante média sobre o automóvel teria sido o dobro.
Provas
Com relação a algumas características dos instrumentos de medida paquímetro, micrômetro, dinamômetro e osciloscópios, normalmente encontrados em um laboratório de física básica, julgue o item subsequente.
Um osciloscópio de raios catódicos consiste, essencialmente, em um acelerador linear de elétrons, que podem ser defletidos horizontal e verticalmente devido a campos magnéticos perpendiculares entre si.
Provas

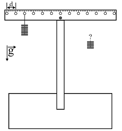
A figura apresentada ilustra um experimento acerca de equilíbrio de corpos rígidos, no qual uma régua, cujos furos estão a uma distância igual a d, é colocada sobre uma base de tal maneira que possa girar, sem atrito, em torno do próprio ponto central. A partir desse ponto, um conjunto de 6 moedas empilhadas, de massa m cada, é colocado a uma distância de 4 d. A régua é homogênea, e o peso da linha que segura as moedas é desprezível.
Com base nessas informações e na figura precedente, julgue o item a seguir.
A posição em que deve ser colocado o conjunto de 4 moedas para que o sistema esteja em equilíbrio é igual a 6 d, à direita do ponto central.
Provas
Caderno Container