Foram encontradas 956 questões.
Julgue os itens seguintes com relação a flip-flops.
Flip-flops síncronos podem ser sensíveis ao nível do sinal de clock, ou sensíveis às transições do sinal de clock. Nesta última situação, o flip-flop pode apresentar sensibilidade à subida do sinal (transição positiva) ou à descida (transição negativa).Provas
Questão presente nas seguintes provas
Julgue os itens seguintes com relação a flip-flops.
Flip-flops não possuem entradas assíncronas.Provas
Questão presente nas seguintes provas
Julgue os itens seguintes com relação a flip-flops.
Tanto flip-flops síncronos quanto flip-flops assíncronos são apropriados para a implementação de registradores de deslocamento.Provas
Questão presente nas seguintes provas
Julgue os itens seguintes com relação a flip-flops.
Flip-flops do tipo D e flip-flops do tipo T podem ser construídos a partir de flip-flops do tipo RS. Neste tipo de obtenção de Flip-flops do tipo D ou T o uso de flip-flops do tipo JK é inadequado.Provas
Questão presente nas seguintes provas
Julgue os itens seguintes com relação a flip-flops.
Os flip-flops são componentes básicos utilizados em circuitos de memória, para armazenamento e transferência de informação. Por esse motivo, eles são frequentemente empregados em circuitos aritméticos.Provas
Questão presente nas seguintes provas
Acerca de disjuntores usados para a proteção de instalações
elétricas em baixa tensão, julgue os itens subsequentes.
Sendo os disjuntores dispositivos exclusivamente unipolares, eles não possibilitam proteção adequada contra danos a motores instalados em circuitos que não possuam proteção contra falta de fase.elétricas em baixa tensão, julgue os itens subsequentes.
Provas
Questão presente nas seguintes provas
- EletrotécnicaCircuitos Elétricos em Eletricidade
- EletrotécnicaMedições Elétricas
- EletrotécnicaInstrumentos e Medições elétricas
- Chaves Seccionadoras

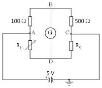
O circuito ilustrado na figura acima corresponde a uma
ponte de Wheatstone, utilizada em uma experiência de eletricidade
para determinação da resistência desconhecida
Entre os pontosA e D, é ligado um potenciômetro, cuja resistência variável é

Um galvanômetro é conectado entre os pontos B e D do circuito
para monitoramento da ponte.
Com base nessas informações, julgue os itens que se seguem.
indicada no circuito for substituída por outra no valor de 50
, o ajuste do potenciômetro com
100
proporcionará o mesmo potencial elétrico entre os pontos B e D (isto é,
= 0) e, dadas essas condições, a potência suprida pela fonte será igual a 500 mW.Provas
Questão presente nas seguintes provas

O circuito ilustrado na figura acima corresponde a uma
ponte de Wheatstone, utilizada em uma experiência de eletricidade
para determinação da resistência desconhecida
Entre os pontosA e D, é ligado um potenciômetro, cuja resistência variável é

Um galvanômetro é conectado entre os pontos B e D do circuito
para monitoramento da ponte.
Com base nessas informações, julgue os itens que se seguem.
a corrente que circula pelo galvanômetro será nula, e a resistência desconhecida terá valor igual a 2
Provas
Questão presente nas seguintes provas

O circuito ilustrado na figura acima corresponde a uma
ponte de Wheatstone, utilizada em uma experiência de eletricidade
para determinação da resistência desconhecida
Entre os pontosA e D, é ligado um potenciômetro, cuja resistência variável é

Um galvanômetro é conectado entre os pontos B e D do circuito
para monitoramento da ponte.
Com base nessas informações, julgue os itens que se seguem.

Provas
Questão presente nas seguintes provas
- EletrotécnicaCircuitos Elétricos em Eletricidade
- EletrotécnicaCircuitos de Corrente Contínua e de Corrente Alternada

O circuito ilustrado na figura acima corresponde a uma
ponte de Wheatstone, utilizada em uma experiência de eletricidade
para determinação da resistência desconhecida
Entre os pontosA e D, é ligado um potenciômetro, cuja resistência variável é

Um galvanômetro é conectado entre os pontos B e D do circuito
para monitoramento da ponte.
Com base nessas informações, julgue os itens que se seguem.
desconhecida.Provas
Questão presente nas seguintes provas
Cadernos
Caderno Container