Foram encontradas 50 questões.
Elemento de proteção em instalações elétrica de baixa tensão cuja função é proteger a instalação contra sobretensões provocados por descargas atmosféricas ou manobras de circuito.
Provas
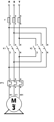
O diagrama abaixo representa circuito de força da partida de um motor de indução.

Assinale a alternativa que corresponde ao tipo de partida que está sendo realizada neste circuito.
Provas
As chaves de partida estática (softstarter) são empregadas em partida de motores de indução. Tem como objetivo diminuir a corrente de partida de motores, suavizando a partida e minimizando seus efeitos. Avalie as alternativas abaixo e assinale a CORRETA.
Provas
Um dos grandes problemas ao se utilizar de motores trifásicos de indução, é a sua partida. Neste momento a sua corrente pode elevar até dez vezes o valor da corrente nominal (regime permanente).
Qual método a seguir nos permite partir um hipotético motor de 10 CV acionando cargas com alto índice de atrito, com uma corrente mais baixa e um conjugado suficiente para partida?
Provas
Um dos elementos fundamentais para o funcionamento correto de motores elétricos são os relés, sendo que os mesmos são elementos cujo contatos tem seu estado alterado por variações de grandezas físicas.

Provas
Equipamento fundamental de manobra de motores elétricos, cuja a função é isolar galvanicamente o circuito de força e comando , protegendo o operador e permitindo combinações lógicas no comando?
Provas
Provas
Qual o tipo de motor capaz de operar tanto em corrente contínua como em corrente alternada, utilizados em liquidificadores batedeiras, furadeiras?
Provas
Qual a velocidade nominal de um motor de indução trifásico de 5CV de 8 pólos e escorregamento de 6%?
Provas
A figura abaixo representa um sistema de mudança de relação de transformação em transformadores abaixadores de alta tensão. Analisando a ligação para uma mesma tensão, no enrolamento de alta tensão, em qual posição do manípulo temos uma maior tensão no enrolamento de baixa tensão?

Provas
Caderno Container