Foram encontradas 90 questões.
Lea el Texto I y conteste a la pregunta siguiente.
Texto I
La contaminación daña la salud mental y el calentamiento global se asocia con más suicidios
Jessica Mouzo / 04 JUN 2024 - 07:54 BRT
El cambio climático está haciendo tambalear los cimientos de la salud global. “Tiene el potencial de socavar décadas de progreso en la salud mundial”, advierte contundente la Organización Mundial de la Salud. La ciencia ya ha reportado su influencia, a través de la contaminación del aire, en el desarrollo del cáncer, dolencias respiratorias y enfermedades cardiovasculares. O cómo provoca cada vez más muertes por fenómenos meteorológicos extremos, como olas de calor o inundaciones. Ahora, una revisión científica realizada por investigadores del Hospital Clínic de Barcelona y el IDIBAPS ahonda en sus efectos también sobre la salud mental y detecta una relación entre la subida de las temperaturas y el riesgo de suicidio: el estudio, publicado en la revista World Psyquiatry estima que el calentamiento global ha hecho aumentar un 5% las muertes por suicidio. La investigación encuentra, además, que la exposición a largo plazo a algunos contaminantes y disolventes, presentes en pinturas o barnices, está vinculada también con una mayor incidencia de demencia y deterioro cognitivo.
Con todos sus tentáculos, desde la polución hasta el aumento de las temperaturas, el calentamiento global enferma al planeta y a los que viven en él. Daña la salud física, pero también el espectro mental. Un ejemplo: el cambio climático desata fenómenos extremos cada vez más frecuentes, como olas de calor o grandes tormentas, que provocan daños en la salud física y miles de muertes al año. Pero este mismo fenómeno puede generar también efectos traumáticos en la población expuesta o quebrar los pilares clave para una buena salud mental, como la estabilidad económica o la seguridad alimentaria.
La toxicidad de vivir en ciudades, un riesgo para la salud mental
El impacto del cambio climático en la salud mental es tan “preocupante”, reflexionan los autores en el artículo que entre la gente joven se han comenzado a acuñar términos que hacen referencia a su huella. La ecoansiedad, por ejemplo, que identifica esa emoción asociada con un entorno cambiante e incierto; o el duelo ecológico, que nombra al dolor por la pérdida ecológica.
En esta revisión científica, los autores han intentado ordenar el nivel de evidencia que hay en la literatura científica sobre el impacto del cambio climático en la salud mental. Analizaron 285 estudios de todo el globo y, si bien no encontraron ninguna causa-efecto directa, sí hallaron asociaciones contundentes y patrones que se repetían. “El cambio climático y la contaminación, que es el causante del cambio climático, repercuten de forma significativa sobre la salud mental”, sentencia Raduà, director del Grupo Imagen de los trastornos relacionados con el estado de ánimo y la ansiedad del IDIBAPS y autor del nuevo estudio.
Uno de los hallazgos con “gran relevancia clínica”, valoraron, es el vínculo entre el crecimiento de las temperaturas y la mortalidad por suicidio. “La subida de la temperatura habría aumentado un 5% de las tasas de suicidio. Estamos hablando de unos efectos muy grandes. Las asociaciones no son muy grandes por sí solas, pero como afectan a todo el planeta, tiene un gran impacto”, reflexiona Raduà.
Los autores admiten que los mecanismos biológicos que explican este vínculo “siguen siendo desconocidos y probablemente impliquen relaciones multifactoriales complejas”. Pero aventuran algunas de las hipótesis que están sobre la mesa: “Alguna evidencia sugiere que la exposición a altas temperaturas puede afectar directamente la función cerebral, con alteraciones en la oxigenación adecuada y la permeabilidad de la barrera hematoencefálica. Otros estudios implican alteraciones en los neurotransmisores o sugieren que las temperaturas más altas pueden empeorar directamente el estado de ánimo, haciendo que las personas se sientan más irritables y estresadas, y amplificando los síntomas de los trastornos mentales”, reportan en el artículo científico.
Adaptado de: https://elpais.com/salud-y-bienestar/2024-06-04/la-contaminacion-dana-la-salud-mental-y-el-calentamiento-global-se-asocia-con-mas-suicidios.html
A continuación, leerá algunas informaciones respecto a un estudio mencionado en el texto.
I. Pinturas o barnices pueden conllevar a una mayor incidencia de demencia.
II. El estudio se publicó en una revista cultural.
III. El calentamiento global no tiene relación con el aumento de suicidios.
Señale
Provas
Lea el Texto I y conteste a la pregunta siguiente.
Texto I
La contaminación daña la salud mental y el calentamiento global se asocia con más suicidios
Jessica Mouzo / 04 JUN 2024 - 07:54 BRT
El cambio climático está haciendo tambalear los cimientos de la salud global. “Tiene el potencial de socavar décadas de progreso en la salud mundial”, advierte contundente la Organización Mundial de la Salud. La ciencia ya ha reportado su influencia, a través de la contaminación del aire, en el desarrollo del cáncer, dolencias respiratorias y enfermedades cardiovasculares. O cómo provoca cada vez más muertes por fenómenos meteorológicos extremos, como olas de calor o inundaciones. Ahora, una revisión científica realizada por investigadores del Hospital Clínic de Barcelona y el IDIBAPS ahonda en sus efectos también sobre la salud mental y detecta una relación entre la subida de las temperaturas y el riesgo de suicidio: el estudio, publicado en la revista World Psyquiatry estima que el calentamiento global ha hecho aumentar un 5% las muertes por suicidio. La investigación encuentra, además, que la exposición a largo plazo a algunos contaminantes y disolventes, presentes en pinturas o barnices, está vinculada también con una mayor incidencia de demencia y deterioro cognitivo.
Con todos sus tentáculos, desde la polución hasta el aumento de las temperaturas, el calentamiento global enferma al planeta y a los que viven en él. Daña la salud física, pero también el espectro mental. Un ejemplo: el cambio climático desata fenómenos extremos cada vez más frecuentes, como olas de calor o grandes tormentas, que provocan daños en la salud física y miles de muertes al año. Pero este mismo fenómeno puede generar también efectos traumáticos en la población expuesta o quebrar los pilares clave para una buena salud mental, como la estabilidad económica o la seguridad alimentaria.
La toxicidad de vivir en ciudades, un riesgo para la salud mental
El impacto del cambio climático en la salud mental es tan “preocupante”, reflexionan los autores en el artículo que entre la gente joven se han comenzado a acuñar términos que hacen referencia a su huella. La ecoansiedad, por ejemplo, que identifica esa emoción asociada con un entorno cambiante e incierto; o el duelo ecológico, que nombra al dolor por la pérdida ecológica.
En esta revisión científica, los autores han intentado ordenar el nivel de evidencia que hay en la literatura científica sobre el impacto del cambio climático en la salud mental. Analizaron 285 estudios de todo el globo y, si bien no encontraron ninguna causa-efecto directa, sí hallaron asociaciones contundentes y patrones que se repetían. “El cambio climático y la contaminación, que es el causante del cambio climático, repercuten de forma significativa sobre la salud mental”, sentencia Raduà, director del Grupo Imagen de los trastornos relacionados con el estado de ánimo y la ansiedad del IDIBAPS y autor del nuevo estudio.
Uno de los hallazgos con “gran relevancia clínica”, valoraron, es el vínculo entre el crecimiento de las temperaturas y la mortalidad por suicidio. “La subida de la temperatura habría aumentado un 5% de las tasas de suicidio. Estamos hablando de unos efectos muy grandes. Las asociaciones no son muy grandes por sí solas, pero como afectan a todo el planeta, tiene un gran impacto”, reflexiona Raduà.
Los autores admiten que los mecanismos biológicos que explican este vínculo “siguen siendo desconocidos y probablemente impliquen relaciones multifactoriales complejas”. Pero aventuran algunas de las hipótesis que están sobre la mesa: “Alguna evidencia sugiere que la exposición a altas temperaturas puede afectar directamente la función cerebral, con alteraciones en la oxigenación adecuada y la permeabilidad de la barrera hematoencefálica. Otros estudios implican alteraciones en los neurotransmisores o sugieren que las temperaturas más altas pueden empeorar directamente el estado de ánimo, haciendo que las personas se sientan más irritables y estresadas, y amplificando los síntomas de los trastornos mentales”, reportan en el artículo científico.
Adaptado de: https://elpais.com/salud-y-bienestar/2024-06-04/la-contaminacion-dana-la-salud-mental-y-el-calentamiento-global-se-asocia-con-mas-suicidios.html
En el fragmento, “ahonda en sus efectos”, el vocablo destacado puede sustituirse, en español, sin alterarle el significado por
Provas
Lea el Texto I y conteste a la pregunta siguiente.
Texto I
La contaminación daña la salud mental y el calentamiento global se asocia con más suicidios
Jessica Mouzo / 04 JUN 2024 - 07:54 BRT
El cambio climático está haciendo tambalear los cimientos de la salud global. “Tiene el potencial de socavar décadas de progreso en la salud mundial”, advierte contundente la Organización Mundial de la Salud. La ciencia ya ha reportado su influencia, a través de la contaminación del aire, en el desarrollo del cáncer, dolencias respiratorias y enfermedades cardiovasculares. O cómo provoca cada vez más muertes por fenómenos meteorológicos extremos, como olas de calor o inundaciones. Ahora, una revisión científica realizada por investigadores del Hospital Clínic de Barcelona y el IDIBAPS ahonda en sus efectos también sobre la salud mental y detecta una relación entre la subida de las temperaturas y el riesgo de suicidio: el estudio, publicado en la revista World Psyquiatry estima que el calentamiento global ha hecho aumentar un 5% las muertes por suicidio. La investigación encuentra, además, que la exposición a largo plazo a algunos contaminantes y disolventes, presentes en pinturas o barnices, está vinculada también con una mayor incidencia de demencia y deterioro cognitivo.
Con todos sus tentáculos, desde la polución hasta el aumento de las temperaturas, el calentamiento global enferma al planeta y a los que viven en él. Daña la salud física, pero también el espectro mental. Un ejemplo: el cambio climático desata fenómenos extremos cada vez más frecuentes, como olas de calor o grandes tormentas, que provocan daños en la salud física y miles de muertes al año. Pero este mismo fenómeno puede generar también efectos traumáticos en la población expuesta o quebrar los pilares clave para una buena salud mental, como la estabilidad económica o la seguridad alimentaria.
La toxicidad de vivir en ciudades, un riesgo para la salud mental
El impacto del cambio climático en la salud mental es tan “preocupante”, reflexionan los autores en el artículo que entre la gente joven se han comenzado a acuñar términos que hacen referencia a su huella. La ecoansiedad, por ejemplo, que identifica esa emoción asociada con un entorno cambiante e incierto; o el duelo ecológico, que nombra al dolor por la pérdida ecológica.
En esta revisión científica, los autores han intentado ordenar el nivel de evidencia que hay en la literatura científica sobre el impacto del cambio climático en la salud mental. Analizaron 285 estudios de todo el globo y, si bien no encontraron ninguna causa-efecto directa, sí hallaron asociaciones contundentes y patrones que se repetían. “El cambio climático y la contaminación, que es el causante del cambio climático, repercuten de forma significativa sobre la salud mental”, sentencia Raduà, director del Grupo Imagen de los trastornos relacionados con el estado de ánimo y la ansiedad del IDIBAPS y autor del nuevo estudio.
Uno de los hallazgos con “gran relevancia clínica”, valoraron, es el vínculo entre el crecimiento de las temperaturas y la mortalidad por suicidio. “La subida de la temperatura habría aumentado un 5% de las tasas de suicidio. Estamos hablando de unos efectos muy grandes. Las asociaciones no son muy grandes por sí solas, pero como afectan a todo el planeta, tiene un gran impacto”, reflexiona Raduà.
Los autores admiten que los mecanismos biológicos que explican este vínculo “siguen siendo desconocidos y probablemente impliquen relaciones multifactoriales complejas”. Pero aventuran algunas de las hipótesis que están sobre la mesa: “Alguna evidencia sugiere que la exposición a altas temperaturas puede afectar directamente la función cerebral, con alteraciones en la oxigenación adecuada y la permeabilidad de la barrera hematoencefálica. Otros estudios implican alteraciones en los neurotransmisores o sugieren que las temperaturas más altas pueden empeorar directamente el estado de ánimo, haciendo que las personas se sientan más irritables y estresadas, y amplificando los síntomas de los trastornos mentales”, reportan en el artículo científico.
Adaptado de: https://elpais.com/salud-y-bienestar/2024-06-04/la-contaminacion-dana-la-salud-mental-y-el-calentamiento-global-se-asocia-con-mas-suicidios.html
A continuación, leerá algunas informaciones respecto a la influencia del cambio climático.
Respecto a su influencia, se reporta
I. exclusivamente en la contaminación del aire.
II. en enfermades como el cáncer, respiratorias y cardiovasculares.
III en muertes por fenómenos meteorológicos extremos.
Señale
Provas
Lea el Texto I y conteste a la pregunta siguiente.
Texto I
La contaminación daña la salud mental y el calentamiento global se asocia con más suicidios
Jessica Mouzo / 04 JUN 2024 - 07:54 BRT
El cambio climático está haciendo tambalear los cimientos de la salud global. “Tiene el potencial de socavar décadas de progreso en la salud mundial”, advierte contundente la Organización Mundial de la Salud. La ciencia ya ha reportado su influencia, a través de la contaminación del aire, en el desarrollo del cáncer, dolencias respiratorias y enfermedades cardiovasculares. O cómo provoca cada vez más muertes por fenómenos meteorológicos extremos, como olas de calor o inundaciones. Ahora, una revisión científica realizada por investigadores del Hospital Clínic de Barcelona y el IDIBAPS ahonda en sus efectos también sobre la salud mental y detecta una relación entre la subida de las temperaturas y el riesgo de suicidio: el estudio, publicado en la revista World Psyquiatry estima que el calentamiento global ha hecho aumentar un 5% las muertes por suicidio. La investigación encuentra, además, que la exposición a largo plazo a algunos contaminantes y disolventes, presentes en pinturas o barnices, está vinculada también con una mayor incidencia de demencia y deterioro cognitivo.
Con todos sus tentáculos, desde la polución hasta el aumento de las temperaturas, el calentamiento global enferma al planeta y a los que viven en él. Daña la salud física, pero también el espectro mental. Un ejemplo: el cambio climático desata fenómenos extremos cada vez más frecuentes, como olas de calor o grandes tormentas, que provocan daños en la salud física y miles de muertes al año. Pero este mismo fenómeno puede generar también efectos traumáticos en la población expuesta o quebrar los pilares clave para una buena salud mental, como la estabilidad económica o la seguridad alimentaria.
La toxicidad de vivir en ciudades, un riesgo para la salud mental
El impacto del cambio climático en la salud mental es tan “preocupante”, reflexionan los autores en el artículo que entre la gente joven se han comenzado a acuñar términos que hacen referencia a su huella. La ecoansiedad, por ejemplo, que identifica esa emoción asociada con un entorno cambiante e incierto; o el duelo ecológico, que nombra al dolor por la pérdida ecológica.
En esta revisión científica, los autores han intentado ordenar el nivel de evidencia que hay en la literatura científica sobre el impacto del cambio climático en la salud mental. Analizaron 285 estudios de todo el globo y, si bien no encontraron ninguna causa-efecto directa, sí hallaron asociaciones contundentes y patrones que se repetían. “El cambio climático y la contaminación, que es el causante del cambio climático, repercuten de forma significativa sobre la salud mental”, sentencia Raduà, director del Grupo Imagen de los trastornos relacionados con el estado de ánimo y la ansiedad del IDIBAPS y autor del nuevo estudio.
Uno de los hallazgos con “gran relevancia clínica”, valoraron, es el vínculo entre el crecimiento de las temperaturas y la mortalidad por suicidio. “La subida de la temperatura habría aumentado un 5% de las tasas de suicidio. Estamos hablando de unos efectos muy grandes. Las asociaciones no son muy grandes por sí solas, pero como afectan a todo el planeta, tiene un gran impacto”, reflexiona Raduà.
Los autores admiten que los mecanismos biológicos que explican este vínculo “siguen siendo desconocidos y probablemente impliquen relaciones multifactoriales complejas”. Pero aventuran algunas de las hipótesis que están sobre la mesa: “Alguna evidencia sugiere que la exposición a altas temperaturas puede afectar directamente la función cerebral, con alteraciones en la oxigenación adecuada y la permeabilidad de la barrera hematoencefálica. Otros estudios implican alteraciones en los neurotransmisores o sugieren que las temperaturas más altas pueden empeorar directamente el estado de ánimo, haciendo que las personas se sientan más irritables y estresadas, y amplificando los síntomas de los trastornos mentales”, reportan en el artículo científico.
Adaptado de: https://elpais.com/salud-y-bienestar/2024-06-04/la-contaminacion-dana-la-salud-mental-y-el-calentamiento-global-se-asocia-con-mas-suicidios.html
En el fragmento, “Tiene el potencial de socavar décadas de progreso”, el vocablo destacado puede sustituirse, en español, sin alterarle el significado por
Provas
Lea el Texto I y conteste a la pregunta siguiente.
Texto I
La contaminación daña la salud mental y el calentamiento global se asocia con más suicidios
Jessica Mouzo / 04 JUN 2024 - 07:54 BRT
El cambio climático está haciendo tambalear los cimientos de la salud global. “Tiene el potencial de socavar décadas de progreso en la salud mundial”, advierte contundente la Organización Mundial de la Salud. La ciencia ya ha reportado su influencia, a través de la contaminación del aire, en el desarrollo del cáncer, dolencias respiratorias y enfermedades cardiovasculares. O cómo provoca cada vez más muertes por fenómenos meteorológicos extremos, como olas de calor o inundaciones. Ahora, una revisión científica realizada por investigadores del Hospital Clínic de Barcelona y el IDIBAPS ahonda en sus efectos también sobre la salud mental y detecta una relación entre la subida de las temperaturas y el riesgo de suicidio: el estudio, publicado en la revista World Psyquiatry estima que el calentamiento global ha hecho aumentar un 5% las muertes por suicidio. La investigación encuentra, además, que la exposición a largo plazo a algunos contaminantes y disolventes, presentes en pinturas o barnices, está vinculada también con una mayor incidencia de demencia y deterioro cognitivo.
Con todos sus tentáculos, desde la polución hasta el aumento de las temperaturas, el calentamiento global enferma al planeta y a los que viven en él. Daña la salud física, pero también el espectro mental. Un ejemplo: el cambio climático desata fenómenos extremos cada vez más frecuentes, como olas de calor o grandes tormentas, que provocan daños en la salud física y miles de muertes al año. Pero este mismo fenómeno puede generar también efectos traumáticos en la población expuesta o quebrar los pilares clave para una buena salud mental, como la estabilidad económica o la seguridad alimentaria.
La toxicidad de vivir en ciudades, un riesgo para la salud mental
El impacto del cambio climático en la salud mental es tan “preocupante”, reflexionan los autores en el artículo que entre la gente joven se han comenzado a acuñar términos que hacen referencia a su huella. La ecoansiedad, por ejemplo, que identifica esa emoción asociada con un entorno cambiante e incierto; o el duelo ecológico, que nombra al dolor por la pérdida ecológica.
En esta revisión científica, los autores han intentado ordenar el nivel de evidencia que hay en la literatura científica sobre el impacto del cambio climático en la salud mental. Analizaron 285 estudios de todo el globo y, si bien no encontraron ninguna causa-efecto directa, sí hallaron asociaciones contundentes y patrones que se repetían. “El cambio climático y la contaminación, que es el causante del cambio climático, repercuten de forma significativa sobre la salud mental”, sentencia Raduà, director del Grupo Imagen de los trastornos relacionados con el estado de ánimo y la ansiedad del IDIBAPS y autor del nuevo estudio.
Uno de los hallazgos con “gran relevancia clínica”, valoraron, es el vínculo entre el crecimiento de las temperaturas y la mortalidad por suicidio. “La subida de la temperatura habría aumentado un 5% de las tasas de suicidio. Estamos hablando de unos efectos muy grandes. Las asociaciones no son muy grandes por sí solas, pero como afectan a todo el planeta, tiene un gran impacto”, reflexiona Raduà.
Los autores admiten que los mecanismos biológicos que explican este vínculo “siguen siendo desconocidos y probablemente impliquen relaciones multifactoriales complejas”. Pero aventuran algunas de las hipótesis que están sobre la mesa: “Alguna evidencia sugiere que la exposición a altas temperaturas puede afectar directamente la función cerebral, con alteraciones en la oxigenación adecuada y la permeabilidad de la barrera hematoencefálica. Otros estudios implican alteraciones en los neurotransmisores o sugieren que las temperaturas más altas pueden empeorar directamente el estado de ánimo, haciendo que las personas se sientan más irritables y estresadas, y amplificando los síntomas de los trastornos mentales”, reportan en el artículo científico.
Adaptado de: https://elpais.com/salud-y-bienestar/2024-06-04/la-contaminacion-dana-la-salud-mental-y-el-calentamiento-global-se-asocia-con-mas-suicidios.html
En el fragmento, “está haciendo tambalear los cimientos”, el vocablo destacado puede sustituirse, en español, sin alterarle el significado por
Provas
A figura representa um instante do movimento de um elétron que penetra com velocidade \( \vec{v} \) em uma região em que há um campo magnético \( \vec{β} \).

O sentido da força magnética que atua sobre o elétron ao penetrar no campo é
Provas
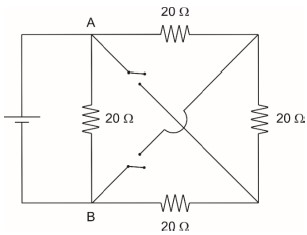
Analise o circuito esquematizado na figura a seguir.

A resistência equivalente entre A e B, com ambas as chaves fechadas, é
Provas
Um ferro elétrico de 1200 W-127 V, ligado em uma tomada de 127 V, é utilizado, initerruptamente, durante 45 min. É razoável estimar que a massa de um fusca é de 0,9 t e que a aceleração da gravidade g = 10 m/s2.
De acordo com essas estimativas, a energia consumida pelo ferro elétrico durante esses 45 min seria suficiente para transportar, do térreo ao topo de um prédio de 36 m de altura, até
Provas
Tem-se um espelho côncavo de distância focal igual a 50 cm e um espelho convexo de distância focal igual a 10 cm, de mesmo eixo principal.
Um feixe de raios luminosos paralelos ao eixo principal reflete-se no espelho côncavo e, a seguir, no convexo. Os raios refletidos no espelho convexo voltam-se sobre si mesmos e, após refletirem-se novamente no espelho côncavo, emergem como chegaram: paralelamente ao eixo principal, como mostra a figura.

A distância entre os vértices dos espelhos é de
Provas
No interior de uma piscina há uma fonte luminosa que emite luz monocromática cujo comprimento de onda, na água, é igual a 4,0x10-7 m. A tabela anexa informa os comprimentos de onda, no ar, das radiações eletromagnéticas visíveis.
| luz |
comprimento de onda |
| vermelha |
de 7,5x10-7m a 6,5 x10-7m |
| laranja |
de 6,5x10-7m a 5,9 x10-7m |
| amarela |
de 5,9x10-7m a 5,3 x10-7m |
| verde |
de 5,3x10-7m a 4,9 x10-7m |
| azul |
de 4,9x10-7m a 4,2 x10-7m |
| violeta |
de 4,2x10-7m a 4,0 x10-7m |
Considere o índice de refração do ar igual a 1,0 e o índice de refração da água para a luz emitida por essa fonte igual a 1,5. Essa luz está na faixa correspondente à cor
Provas
Caderno Container