Foram encontradas 1.580 questões.
Um gerador de 5,0 MVA está alimentando um conjunto de cargas com potência ativa de 4,0 MW. O limite de fator de potência (indutivo ou capacitivo) que este gerador pode operar nesta condição é:
Provas
Um grupo moto-gerador de 1,5 MVA está conectado em paralelo com o sistema elétrico interligado (barramento infinito) de 13,8 kV, 60 Hz, fornecendo 1,0 MW com fator de potência 0,8 capacitivo. Nesta condição, o ponto de ajuste do regulador de velocidade do grupo moto-gerador é de 62 Hz. Em uma análise qualitativa, se o ponto de ajuste do regulador de velocidade for aumentado para 63 Hz, o efeito resultante será:
Provas
O material amplamente utilizado na construção do corpo isolante de um fusível tipo NH é:
Provas
O núcleo de transformadores de potência é composto por chapas laminadas com características magnéticas otimizadas visando à redução de perdas durante a operação. O material utilizado na confecção de chapas para esses núcleos de transformadores de potência e que oferece melhor desempenho eletromagnético é o:
Provas
Observe o circuito mostrado na figura a seguir, em que o indutor encontra-se sem corrente inicial.

No instante t=0, a chave S1 é fechada.
Nesse instante, a corrente I e a tensão sobre o resistor de 20 Ω são, respectivamente:
Provas
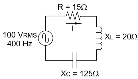
Considere o circuito RLC série apresentado na figura a seguir, operando em 400 Hz.

A frequência de ressonância desse circuito é
Provas
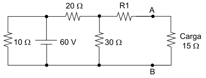
Observe o circuito da figura a seguir.

Para que o circuito esteja na condição de máxima transferência de potência para a carga conectada entre os pontos A e B, o valor de R1 deve ser
Provas
Considere o diagrama da figura a seguir.

Os valores de R1 e E1 que validam o circuito equivalente de Thevenín apresentado são, respectivamente:
Provas
Sobre a gramatura de papéis, assinale a alternativa correta.
Provas
No software Adobe Flash, em sua versão CC e configuração padrão, a ferramenta que serve para posicionar e modificar as cores dos conteúdos degradê é:
Provas
Caderno Container