Foram encontradas 300 questões.
O termopar tipo J é um dos termopares mais utilizados para uso geral na indústria. Sobre este tipo de termopar, é correto afirmar que:
Provas
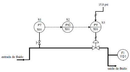
A figura abaixo representa uma malha de controle.

Conforme representado na malha de controle, é possível afirmar:
Provas
O comissionamento é uma etapa muito importante em projetos industriais. Sobre o comissionamento, pode-se afirmar que é:
Provas
É um modelo de manutenção onde o equipamento é monitorado periodicamente. As técnicas mais comuns para monitorar o equipamento são a análise de vibração, inspeção visual, ultrassom e análise não destrutiva. Esse modelo de manutenção é conhecido como manutenção:
Provas
O escoamento laminar é caracterizado por um escoamento de camadas paralelas sem qualquer interrupção entre essas camadas. É considerado um escoamento comportado, pois não há correntes se cruzando. Um fluido Newtoniano é considerado escoando no regime laminar quando o Número de Reynolds (Re) é:
Provas
A figura a seguir representa um sistema de controle de acordo com a Norma S51 ISA e serve de referência para responder a questão.

A variável controlada na malha 3 representada na figura é:
Provas
A figura a seguir representa um sistema de controle de acordo com a Norma S51 ISA e serve de referência para responder a questão.

A conexão utilizada na malha 03 representada na figura utiliza um transmissor com sinal:
Provas
A Norma S51 ISA estabelece os símbolos que representam os tipos de atuadores das válvulas de controle. O símbolo que representa a válvula de controle com atuador hidráulico ou pneumático tipo pistão é:
Provas
A Norma S51 ISA (International Society of Automation) estabelece os símbolos gráficos para identificação dos instrumentos e dos sistemas de instrumentação usados para medição e controle.

De acordo com a Norma S51 ISA, o símbolo da figura representa um instrumento:
Provas
A figura a seguir representa o diagrama do método PERT/CPM e serve de base para responder a questão.

Algumas atividades, dentro da programação apresentada no diagrama, permitem as seguintes folgas:
Provas
Caderno Container