Foram encontradas 300 questões.
Uma carga trifásica equilibrada é composta por três impedâncias Z = (50 + j50) !$ Ω !$. Em cada impedância destas, circula uma corrente de intensidade I = 10 A. A tensão de linha sobre a carga é de 7 kV adiantada 45° da corrente I. A tensão sobre cada impedância e sua forma de ligação vem a ser, respectivamente:
Utilizar !$ \sqrt3=1,7 !$ e !$ \sqrt2=1,4 !$
Provas
Sabendo-se que, por uma impedância !$ Z=(40+j30)Ω !$ circula uma corrente eficaz de 5 A, o valor de pico da tensão sobre essa impedância é:
Utilizar !$ \sqrt3=1,7 !$ e !$ \sqrt2=1,4 !$
Provas
Um baixo fator de potência é responsável pelo superdimensionamento de condutores nos sistemas de transmissão e distribuição. Dentre as opções a seguir, NÃO representam uma forma adequada de correção do fator de potência os:
Provas
A figura 2, Circuito, serve como base para responder a questão.

No circuito da figura 2, se um voltímetro ideal for ligado entre os terminais a e b, será medida uma tensão de:
Provas
A figura 2, Circuito, serve como base para responder a questão.

A resistência equivalente do circuito da figura visto pelos terminais a e b é:
Provas
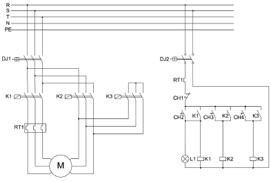
A figura 1 apresenta diagrama de potência e comando de um motor de corrente alternada e serve como base para responder a questão.

Figura 1 – Diagrama de potência e comando de motor de corrente alternada
Adaptado de FRANCHI, C. M. Acionamentos Elétricos. 4. ed. Rio de Janeiro: Érica, 2008.
Para que a entrada trifásica não entre em curto, a alteração necessária consiste em:
Provas
A figura 1 apresenta diagrama de potência e comando de um motor de corrente alternada e serve como base para responder a questão.

Figura 1 – Diagrama de potência e comando de motor de corrente alternada
Adaptado de FRANCHI, C. M. Acionamentos Elétricos. 4. ed. Rio de Janeiro: Érica, 2008.
De acordo com o diagrama, para que os enrolamentos do motor sejam ligados em triângulo, devem ser pressionados os botões:
Provas
No contexto dos conhecimentos básicos de informática e dos conceitos de organização de arquivos, os gerenciadores de pastas e arquivos existentes nos sistemas operacionais, como o Explorer nos ambientes Windows 7/8.1/10 BR, empregam ícones padronizados por default, para identificar pastas e arquivos. Exemplos desses ícones são mostrados, respectivamente, na seguinte opção:
Provas
Na manipulação de tabelas e gráficos, o Excel 2019 BR é, atualmente, um dos principais aplicativos utilizados. Nesse software, é possível gerar um gráfico, como o ilustrado na figura, a partir de uma tabela.

Esse gráfico deve ser usado para exibir tendências ao longo do tempo ou categorias, quando a ordem for importante e no caso em que houver muitos pontos de dados. Trata-se do tipo de gráfico conhecido como:
Provas
Tanto o Powerpoint do pacote MS Office 2019 BR como o Impress da suíte LibreOffice 7.0 (x64) em português representam dois dos principais softwares utilizados na criação e montagem de apresentações corporativas de slides. Três funcionalidades do Powerpoint são listadas a seguir.
I. Permite salvar uma apresentação no formato denominado “Apresentação Habilitada para Macro do Powerpoint”.
II. Permite salvar a apresentação no formato nativo do Impress, identificado como “Apresentação OpenDocument”.
III. Permite salvar o conteúdo de um slide em um formato de imagem, entre vários possíveis, suportados por páginas de sites na internet.
Três siglas para os formatos descritos em I, II e III são, respectivamente:
Provas
Caderno Container