Foram encontradas 223 questões.
Assinale a alternativa com o número mínimo de lâmpadas necessárias para um ambiente classe B que requer 2500 lux pelo método dos lumens. Para o projeto, será adotada uma lâmpada LED de 16W que possui 1500 lm. Considere a altura útil do pé direito de 4m, que o teto é claro, a parede média e o piso são escuros, o ambiente é normal e que será feita manutenção em até 5000 horas.


Provas
Conforme a NBR 5419 para o projeto de SPDA, foi utilizada uma haste de altura 2,82 m no para-raios Franklin para atender uma residência que requer nível de proteção IV. O prédio residencial é quadrado, conforme a figura abaixo. Determine a área do quadrado inscrita pelo círculo gerado pelo cone de proteção e assinale a alternativa correta. Considere o valor arredondado sem casas decimais.

Provas
Para o circuito a seguir, determine o equivalente de Thevenin entre os terminais A e B e assinale a alternativa correta.

Provas
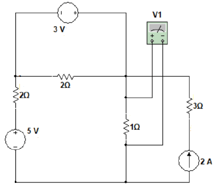
Para o circuito a seguir, determine a tensão medida no voltímetro V1 e assinale a alternativa correta.

Provas
O esquema de ligação a seguir representa um aterramento do tipo:

Provas
Sabendo que o prédio a seguir requer nível de proteção II, determine o número mínimo de condutores de descida para atender o SPDA conforme norma NBR 5419.

Provas
Nos projetos elétricos, existem alguns símbolos que são usualmente adotados em função de que eram previstos na NBR. Na tabela a seguir, estão enumerados de I a IV alguns dos símbolos utilizados em interruptores. Assinale a alternativa que apresenta, correta e respectivamente, a descrição dessa sequência de símbolos.

Provas
Nos projetos elétricos, existem alguns símbolos que são usualmente adotados em função de que eram previstos na NBR. Na tabela a seguir, estão enumerados de I a IV alguns dos símbolos utilizados em pontos de iluminação. Assinale a alternativa que apresenta, correta e respectivamente, a descrição dessa sequência de símbolos.

Provas
Um cliente precisou viajar por 30 dias e deixou duas lâmpadas da área externa da casa ligadas na fotocélula que aciona às 7h da noite e desliga às 5h30min da manhã do outro dia. Determine a leitura do medidor de energia elétrica do período da viagem, sabendo que as demais cargas da casa foram desligadas.

Provas
Para o circuito a seguir, determine a resistência equivalente medida pelo ohmímetro.

Provas
Caderno Container