Magna Concursos

Foram encontradas 621 questões.

1658324 Ano: 2007
Disciplina: Engenharia Eletrônica
Banca: NCE-UFRJ
Orgão: Eletrobrás
Provas:

Em um transformador, PFE é o valor da perda no núcleo e PEJ é o valor da perda por Efeito Joule. O seu rendimento máximo ocorre quando:

 

Provas

Questão presente nas seguintes provas
1658323 Ano: 2007
Disciplina: Engenharia Elétrica
Banca: NCE-UFRJ
Orgão: Eletrobrás
Provas:

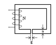
A figura a seguir representa um circuito magnético de permeabilidade infinita.

enunciado 1658323-1

Sua seção reta é constante e igual ao produto "ab" ("b" é a profundidade em relação ao plano do papel). A largura do entreferro é "g" e o enrolamento possui N espiras. Sendo enunciado 1658323-2 a permeabilidade do ar, a expressão da indutância do enrolamento, desprezando-se o espraiamento, é:

 

Provas

Questão presente nas seguintes provas
1658322 Ano: 2007
Disciplina: Engenharia Elétrica
Banca: NCE-UFRJ
Orgão: Eletrobrás
Provas:
Um dispositivo eletromecânico de conversão de energia pode ser considerado linear. A sua peça móvel apresenta pequenos deslocamentos de translação e o dispositivo só possui um enrolamento de excitação. A energia armazenada no seu entreferro tem expressão W = (10-5 i²) / x , onde "x" é o deslocamento da peça móvel e "i" a corrente que circula pelo enrolamento. Para uma corrente de 10A e um deslocamento de 0,005m, a amplitude da força produzida pela peça móvel é igual a:
 

Provas

Questão presente nas seguintes provas
1658321 Ano: 2007
Disciplina: Engenharia Elétrica
Banca: NCE-UFRJ
Orgão: Eletrobrás
Provas:

Para a estimativa de cálculo da regulação de tensão de transformadores de elevadas potência e tensão, operando nas condições nominais, é suficiente utilizar um modelo que contenha somente:

 

Provas

Questão presente nas seguintes provas
1658320 Ano: 2007
Disciplina: Engenharia Elétrica
Banca: NCE-UFRJ
Orgão: Eletrobrás
Provas:

Na maioria das grandes usinas hidrelétricas, a elevação da tensão para as linhas de transmissão é feita utilizando-se:

 

Provas

Questão presente nas seguintes provas
1658319 Ano: 2007
Disciplina: Engenharia Eletrônica
Banca: NCE-UFRJ
Orgão: Eletrobrás
Provas:

Uma carga de 30kW e fator de potência 0,6 indutivo opera em um certo ponto de uma rede elétrica. Outra carga de 10kW e fator de potência unitário será conectada nesse mesmo ponto. Desejando-se corrigir o fator de potência desse ponto da rede para 0,8 indutivo com as duas cargas em operação, será necessário instalar no ponto da rede um banco de capacitores com capacidade reativa igual a:

 

Provas

Questão presente nas seguintes provas
1658318 Ano: 2007
Disciplina: Engenharia Eletrônica
Banca: NCE-UFRJ
Orgão: Eletrobrás
Provas:

Duas cargas trifásicas equilibradas estão ligadas em paralelo. A primeira, ligada em triângulo, possui impedância por fase igual a enunciado 1658318-1. Já a segunda, ligada em estrela, possui impedância por fase igual a enunciado 1658318-2. A carga equivalente às duas, ligada em estrela, apresentará uma impedância por fase igual a:

 

Provas

Questão presente nas seguintes provas
1658317 Ano: 2007
Disciplina: Engenharia Eletrônica
Banca: NCE-UFRJ
Orgão: Eletrobrás
Provas:

Uma impedância enunciado 1658317-1 é percorrida por uma corrente igual a enunciado 1658317-2 A durante 30 minutos. A quantidade de energia ativa consumida pela impedância é igual a:

 

Provas

Questão presente nas seguintes provas
1658316 Ano: 2007
Disciplina: Engenharia Eletrônica
Banca: NCE-UFRJ
Orgão: Eletrobrás
Provas:

Duas cargas apresentam impedâncias de mesmo módulo. Seus fatores de potência são unitário e 0,5 indutivo. Se ligadas em paralelo, o fator de potência equivalente para o conjunto será:

 

Provas

Questão presente nas seguintes provas
1658315 Ano: 2007
Disciplina: Engenharia Eletrônica
Banca: NCE-UFRJ
Orgão: Eletrobrás
Provas:

Uma carga monofásica está ligada em uma rede de 110V. Consumindo 4,4kW com fator de potência 0,8 indutivo, pode-se afirmar que o módulo da sua impedância é igual a:

 

Provas

Questão presente nas seguintes provas