Foram encontradas 100 questões.
De acordo com o circuito a seguir, assinale a alternativa que representa a porta lógica correta. (Dados: os diodos são ideais; Vin1 e Vin2 podem admitir 0 V ou 5 V, sendo 0 V nível 0 e 5 V nível 1)

Provas
Disciplina: Engenharia de Telecomunicações
Banca: DIRENS Aeronáutica
Orgão: EEAr
Assinale a alternativa que não contém uma característica da fibra óptica.
Provas
Assinale a alternativa que completa a frase abaixo.
O conjunto de ___ bits é denominado _______.
Provas
Analise o circuito abaixo e assinale a alternativa que representa o ganho de corrente total.

Provas
Disciplina: Engenharia de Telecomunicações
Banca: DIRENS Aeronáutica
Orgão: EEAr
Na modulação em Sistemas Pulsados, ocorre a transmissão de sinais analógicos modulados por portadora digital. Diante da afirmação acima, assinale a alternativa incorreta sobre a Modulação em Sistemas Pulsados.
Provas
Determine a capacitância total (CT) para o circuito abaixo.
Em seguida, assinale a alternativa correta.
Dados: C1 = 3 μF, C2 = 5 μF, C3 = 6 μF e C4 = 10 μF.

Provas
Assinale a alternativa que completa a frase abaixo.
A propagação da onda eletromagnética se dá com a direção de propagação do vetor campo ____________ sempre perpendicular à do campo ____________.
Provas
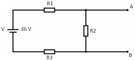
Calcule a resistência (RTH) e a tensão (VTH) equivalente de Thevenin, entre os pontos A e B, para o circuito abaixo.
Dados: R1 = 9 Ω, R2 = 6 Ω e R3 = 15 Ω

Provas
Um filtro é, basicamente, um circuito cujo ganho varia com a frequência. Diante da assertiva acima, assinale a alternativa que apresenta os quatro tipos básicos de filtros existentes.
Provas
Assinale a alternativa correspondente à definição abaixo.
“É um gerador de tensão cc. Todos os geradores têm uma resistência interna (Ri). E a capacidade é dada em ampères-hora (Ah).”
Provas
Caderno Container