Foram encontradas 100 questões.
Considerando uma onda senoidal com um valor de tensão médio de 127,4V, assinale abaixo a opção que contenha o valor correto da tensão rms desta onda.
Provas
Questão presente nas seguintes provas
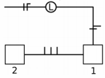
Analisando o circuito abaixo, assinale a alternativa correta.

Provas
Questão presente nas seguintes provas
Coloque C para Certo e E para Errado quanto à concordância nominal dos termos destacados nas frases abaixo. Depois assinale a alternativa com a sequência correta.
( ) Conheci, na passeata, rapazes e moças com as quais travei ótimo relacionamento.
( ) Deixaram jogados, sobre a carteira, o livro de inglês e a gramática.
( ) Estavam assustadas as garotas e o lindo cãozinho.
Provas
Questão presente nas seguintes provas
Relacione as colunas quanto à classificação das figuras de linguagem presentes nos trechos destacados. Em seguida, assinale a alternativa com a sequência correta.
1 – hipérbole
2 – antítese
3 – metonímia
4 – eufemismo
( ) “O sonho de um céu e de um mar/ E de uma vida perigosa/Trocando o amargo pelo mel/E as cinzas pelas rosas.”
( ) “Senhora, partem tão tristes/Meus olhos por vós
(...)/tão tristes, tão saudosos,/tão doentes da partida,/tão cansados, tão chorosos/da morte mais desejosos/ cem mil vezes que da vida”.
( ) “Sobre um mar de rosas que arde/Em ondas fulvas, distante, Erram meus olhos, diamantes,/Como a nau dentro da tarde”.
( ) “Às vezes tenho que concordar com a ideia de que meu filho não atingiu o índice normal de aproveitamento para meninos de sua idade”.
Provas
Questão presente nas seguintes provas
Assinale a alternativa correta. Segundo Creder, o uso dos condutores de alumínio em instalações industriais é permitido, porém com algumas restrições. Dentre as restrições podemos citar
Provas
Questão presente nas seguintes provas
Vários planetas são visíveis a olho nu: Marte, Júpiter, Vênus, Saturno e Mercúrio. Esses astros já eram conhecidos não apenas dos gregos mas também de povos ainda mais antigos, como os babilônios. Apesar de sua semelhança com as estrelas, os planetas eram identificados pelos povos da Antiguidade graças a duas características que os diferenciavam. Primeiro: as estrelas, em curtos períodos, não variam de posição umas em relação às outras. Já os planetas mudam de posição no céu com o passar das horas. À noite, esse movimento pode ser percebido com facilidade. Segundo: as estrelas têm uma luz que, por ser própria, pisca levemente. Já os planetas, que apenas refletem a luz do Sol, têm um brilho fixo. Os planetas mais distantes da Terra só puderam ser descobertos bem mais tarde, com a ajuda de aparelhos ópticos como o telescópio. “O primeiro deles a ser identificado foi Urano, descoberto em 1781 pelo astrônomo inglês William Herschel”, afirma a astrônoma Daniela Lázzaro, do Observatório Nacional do Rio de Janeiro.
Fonte: Revista Superinteressante – agosto/2001
Quanto ao telescópio, é possível afirmar que
Provas
Questão presente nas seguintes provas
Assinale a alternativa que completa corretamente as lacunas:
No projeto elétrico de uma residência, as tomadas de uso geral dimensionadas para o banheiro, devem apresentara a potência mínima de VA para cada ponto, até três pontos, e VA para cada ponto extra.
Provas
Questão presente nas seguintes provas
Leia:
Segundo uma pesquisa recente da Unicamp, três das principais rodovias que dão acesso à cidade de Campinas estão com o solo contaminado por materiais potencialmente tóxicos, como cromo e chumbo.
A oração subordinada destacada no texto acima classifica-se como
Provas
Questão presente nas seguintes provas
Quanto à classificação das orações subordinadas substantivas, relacione as colunas. Em seguida, assinale a alternativa com a sequência correta.
1 – objetiva direta
2 – completiva nominal
3 – subjetiva
( ) Todos sabem onde ocorreu o desastre.
( ) Sabe-se que o preço da cesta básica aumentará em 2017.
( ) Durante a noite, Riobaldo teve a sensação de que alguém o fitava.
( ) Convém que conheçamos o plano de governo do futuro prefeito.
Provas
Questão presente nas seguintes provas
Em uma onda senoidal os ângulos de 45° e 270° são equivalentes aos valores de rad e rad, respectivamente.
Provas
Questão presente nas seguintes provas
Cadernos
Caderno Container