Foram encontradas 100 questões.
Observe:
Não há comprovação científica de que a cafeína seja prejudicial às gestantes.
A oração em destaque no período acima é substantiva
Provas
Questão presente nas seguintes provas
Assinale a alternativa em que a colocação do pronome oblíquo átono não está correta, segundo a norma culta.
Provas
Questão presente nas seguintes provas
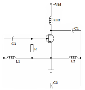
O que aconteceria com a frequência de oscilação do circuito, oscilador Hartley, abaixo, se somente os indutores fossem alterados, fazendo com que Leq fosse o dobro de seu valor inicial?
Considere:
ffo = frequência de oscilação final
fio = frequência de oscilação inicial
fio = frequência de oscilação inicial

Provas
Questão presente nas seguintes provas
Assinale a alternativa que completa corretamente a lacuna do texto a seguir.
O diodo é fabricado dopando-se intensamente os materiais semicondutores que formarão a junção p-n, com um nível de cem até mais de mil vezes maior do que o empregado em um diodo semicondutor comum, o que produz uma região de depleção muito reduzida.
Provas
Questão presente nas seguintes provas
A oração em destaque classifica-se como subordinada adjetiva em qual alternativa?
Provas
Questão presente nas seguintes provas
Leia:
Um dos pássaros mais bonitos do país vive na Mata Atlântica e tem as cores da Bandeira Nacional, tanto que ganhou o nome popular de bandeirinha. Apesar das cores chamativas, ela é arisca e esconde-se bem. Conseguir observá-la na natureza exige um olhar muito atento – e representa um grande prêmio.
As formas pronominais destacadas no trecho acima substituem, respectivamente, quais substantivos?
Provas
Questão presente nas seguintes provas
Observe os períodos abaixo:
I – Venha logo, pois estou ansioso.
II – Ele é o homem da casa, logo deve assumir o papel de chefe da família.
III – Termine logo esse trabalho, pois quero ir embora para casa.
IV – Trabalhei muito, logo mereço aproveitar bastante minhas férias.
Assinale a alternativa incorreta.
Provas
Questão presente nas seguintes provas
Determine o valor da resistência do diodo no ponto A da curva mostrada na figura abaixo.

Provas
Questão presente nas seguintes provas
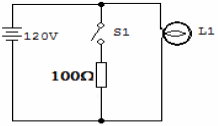
No circuito abaixo, o que ocorre com a lâmpada L1 após o fechamento da chave S1? Dado: !$ \mathsf{R_{L1}=100\Omega} !$

Provas
Questão presente nas seguintes provas
As figuras abaixo representam duas pastilhas, não dopadas, de silício.

A partir das informações acima e de seus conhecimentos sobre semicondutores, marque V (verdadeiro) ou F (falso) e assinale a alternativa que contém a sequência correta.
( ) Se a pastilha A for dopada com átomos que apresentam três elétrons na camada de valência, ela tornar-se-á do tipo N.
( ) Se a pastilha B for dopada com átomos que apresentam cinco elétrons na camada de valência, ela tornar-se-á do tipo P.
( ) Na junção de uma região P com uma N, forma-se a região de depleção, onde o sentido do campo magnético é do lado N para o lado P.
Provas
Questão presente nas seguintes provas
Cadernos
Caderno Container