Foram encontradas 278 questões.
- Álgebra Booleana e Circuitos Lógicos
- Contadores em Engenharia Eletrônica
- Eletrônica Digital na Engenharia Eletrônica
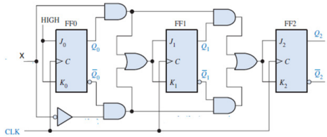
A figura a seguir mostra, com contador formado por flip-flops JK, portas OR e AND. A respeito desse
circuito, o clock que alimenta o sistema tem frequência igual a 90Hz. Referente ao assunto, assinale a
alternativa correta.

Provas
Dado o circuito retificador a seguir, assinale a alternativa correta a respeito da natureza desse circuito
e também da tensão a ser considerada na conversão ac-dc (Vdc). Considere que os diodos presentes
no circuito são de silício (tensão de joelho de 0,7 V) e que Vm=16V.

Provas
- Álgebra Booleana e Circuitos Lógicos
- Diodo na Engenharia Eletrônica
- Eletrônica Analógica na Engenharia Eletrônica
- Eletrônica Digital na Engenharia Eletrônica
Dado o circuito lógico a seguir, com entradas
E1 e E2 e saída Vo, assinale a alternativa
correta. Considere que os diodos são de
silício.

Provas
Dadas as expressões lógicas a seguir, aplicando-se as propriedades da Álgebra de Boole, analise as assertivas e assinale a alternativa que aponta a(s) correta(s).

Provas
Provas
(micro segundo) para o tempo de propagação, e que o contador deve contar 2
voltas, assinale a alternativa correta.Provas
Provas
Provas
Provas
Provas
Caderno Container