Foram encontradas 787 questões.
Uma instalação elétrica residencial previu um circuito bifásico de 220 V com carga instalada formada por três tomadas baixas de 100 VA cada e três tomadas médias de 600 VA cada. Para efeito de dimensionamento dos cabos da instalação pelo método da capacidade de condução de corrente, a corrente de projeto vale, em A, aproximadamente,
Provas
Questão presente nas seguintes provas
O conector utilizado para instalação de uma antena de TV com cabo coaxial de 75 Ω é o
Provas
Questão presente nas seguintes provas
Um motor elétrico de indução monofásico tem as seguintes especificações:
- potência nominal: 1,5 kW
- tensão nominal: 220 V
- rendimento: 90%
- fator de potência: 0,75
A corrente nominal vale, em A, aproximadamente,
- potência nominal: 1,5 kW
- tensão nominal: 220 V
- rendimento: 90%
- fator de potência: 0,75
A corrente nominal vale, em A, aproximadamente,
Provas
Questão presente nas seguintes provas
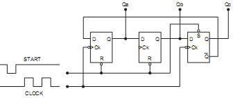
Considere o circuito abaixo.

Após um pulso na entrada START e, na sequência, dois pulsos no sinal de CLOCK, o estado lógico saídas Qa, Qb e Qc serão, respectivamente,
Provas
Questão presente nas seguintes provas
São apenas circuitos integrados de regulador de tensão comerciais:
Provas
Questão presente nas seguintes provas
Atenção: Para responder a questão utilize a figura abaixo que representa a implantação topográfica de um
determinado lote, com sua localização e dimensões.

Antes de ser cercado, o terreno precisa passar por uma limpeza. Para isso, é necessário fazer uma raspagem de 30 cm sobre toda a área do lote 20, além de retirar toda a vegetação arbustiva que se encontra no local, que já alcançou uma altura de, aproximadamente, 2 m de altura. No acondicionamento em caminhões, a vegetação pode ser compactada, reduzindo-se seu volume à metade. Nestas condições, calculando-se os volumes de terra e vegetação, respectivamente, chegamos aos valores, em m3, dedeterminado lote, com sua localização e dimensões.

Provas
Questão presente nas seguintes provas
- Sistemas e Processos Construtivos
- Materiais de construção em Edificações
- Estudos Preliminares
- Planejamento
- Orçamento nos Estudos Preliminares nem Edificações
Você foi solicitado a elaborar o levantamento quantitativo dos insumos que compõem o orçamento do concreto destinado à concretagem de uma viga cuja seção retangular é de 60 cm x 25 cm e comprimento de 5,00 m.
Os consumos adotados por m3 de concreto, são:
Cimento - 400 kg (sacos de 50 kg)
Areia - 0,60 m3
Brita - 0,80 m3
A quantidade de materiais (cimento, areia e brita) necessária para concretagem da viga proposta é, respectivamente,
Os consumos adotados por m3 de concreto, são:
Cimento - 400 kg (sacos de 50 kg)
Areia - 0,60 m3
Brita - 0,80 m3
A quantidade de materiais (cimento, areia e brita) necessária para concretagem da viga proposta é, respectivamente,
Provas
Questão presente nas seguintes provas
Durante a liberação da ferragem para a concretagem de uma viga que faz parte da estrutura de concreto de um edifício foi constatada a presença de uma armadura longitudinal no banzo superior da viga, identificada como
Provas
Questão presente nas seguintes provas
Tendo em vista o processo licitatório com base na Lei nº 8.666/93 - Licitações e Contratos da Administração Pública, em que se aplica o princípio geral do direito, ou seja, o princípio da Legalidade, na decorrência desse direito, EXCETUA-SE:
Provas
Questão presente nas seguintes provas
Atenção: Para responder a questão utilize a figura abaixo que representa a implantação topográfica de um
determinado lote, com sua localização e dimensões.

É necessário cercar o terreno chamado de Lote 20 com uma cerca de alambrado, que deve ter altura de 3,0 m em toda a volta, exceto na frente do terreno, onde a altura deve ser de 2,5 m. Calculando-se a área total, em m2, de alambrado necessário ao fechamento do terreno, chegaremos a um valor dedeterminado lote, com sua localização e dimensões.

Provas
Questão presente nas seguintes provas
Cadernos
Caderno Container