Foram encontradas 787 questões.
São códigos de tiristores comerciais:
Provas
Questão presente nas seguintes provas
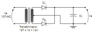
Considere o circuito e as informações abaixo.

I. Trata-se de um circuito de fonte de alimentação com tensão de saída não regulada. 
II. A tensão de saída é de 12 V.
III. Utiliza um circuito retificador de meia onda.
Está correto o que consta APENAS em
Provas
Questão presente nas seguintes provas
Um motor trifásico possui seis terminais de conexão externa para configurar o modo de operação. Na configuração estrela, a tensão de linha especificada é 380 V. Nesse caso, a tensão em cada enrolamento vale, em V,
Provas
Questão presente nas seguintes provas
As tabelas abaixo apresentam comandos e ações no autocad.

A relação correta entre comandos e ações está representada em
Provas
Questão presente nas seguintes provas
Considere o diagrama abaixo referente à programação de um controlador lógico programável.

A expressão lógica realizada é expressa em
Provas
Questão presente nas seguintes provas
A tabela abaixo mostra 3 tipos de no-breaks.

Indica, na ordem DECRESCENTE, o tempo de transferência na queda de energia da rede elétrica dos tipos apresentados:
Provas
Questão presente nas seguintes provas
Para o dimensionamento do dispositivo de proteção de um circuito elétrico residencial tem se as seguintes informações:
- Corrente de projeto: IB
- Capacidade de condução de corrente dos condutores fase, neutro e de proteção: IZ
A corrente nominal (IN) mais adequada do disjuntor termomagnético para este circuito deve satisfazer às condições
- Corrente de projeto: IB
- Capacidade de condução de corrente dos condutores fase, neutro e de proteção: IZ
A corrente nominal (IN) mais adequada do disjuntor termomagnético para este circuito deve satisfazer às condições
Provas
Questão presente nas seguintes provas
Uma resistência limitadora de corrente de 15 kΩ é ligada em série com uma carga constante. A tensão sobre essa resistência limitadora é 240 V. A corrente na carga vale
Provas
Questão presente nas seguintes provas
Considere o circuito abaixo.

A expressão lógica que representa o circuito apresentado é
Provas
Questão presente nas seguintes provas
Considere o circuito de controle de potência de uma lâmpada e as afirmações abaixo.

I. R2 e C2 filtram ruídos da rede elétrica eliminando o efeito flicker (cintilhamento) nas lâmpadas. 
II. A potência máxima entregue à lâmpada é 50 W, visto que T2 só pode conduzir no semiciclo positivo da tensão da rede.
III. T1 e T2 são tiristores, sendo T1 um DIAC e T2 um TRIAC.
IV. Com P1 no valor mínimo tem-se a máxima potência que o circuito pode fornecer à lâmpada.
Está correto o que consta APENAS em
Provas
Questão presente nas seguintes provas
Cadernos
Caderno Container