Magna Concursos

Foram encontradas 787 questões.

618760 Ano: 2013
Disciplina: Engenharia Elétrica
Banca: FCC
Orgão: DPE-RS
Um contator possui os oito terminais dos contatos auxiliares identificados pelo seguinte código numérico: 13, 14, 21, 22, 31, 32, 43 e 44. Logo, o dispositivo tem
 

Provas

Questão presente nas seguintes provas
618759 Ano: 2013
Disciplina: Engenharia Elétrica
Banca: FCC
Orgão: DPE-RS
A resistência elétrica de um material depende da sua constituição e das suas dimensões. Considerando um trecho de material com 100 m de comprimento, área de sua secção transversal de 0,1 mm2 e resistividade de 0,04 Ωmm2/m, o valor da resistência do trecho de material, em Ω, é igual a
 

Provas

Questão presente nas seguintes provas
618758 Ano: 2013
Disciplina: Engenharia Elétrica
Banca: FCC
Orgão: DPE-RS

Sobre projeto e sistemas de iluminação, considere:

I. Para a previsão de carga de pontos de luz em projeto de instalação elétrica residencial, a NBR 5410 propõe para um cômodo, como a sala ou o quarto, com área superior a 6 m2, uma carga mínima de 100 VA para os primeiros 6 m2, acrescentando 60 VA para cada 4 m2 inteiros.

II. Temperatura da cor é um parâmetro luminotécnico que relaciona a cor da luz com a temperatura do bulbo da lâmpada que a produz.

III. O ciclo halógeno permite que a lâmpada halógena dicroica tenha maior tempo de vida e maior eficiência luminosa, embora ela opere com corrente elétrica bem superior à incandescente comum de mesma potência.

Está correto o que consta APENAS em

 

Provas

Questão presente nas seguintes provas
618757 Ano: 2013
Disciplina: Engenharia Elétrica
Banca: FCC
Orgão: DPE-RS

Considere o circuito elétrico abaixo, constituído de cinco resistores.

enunciado 618757-1

O valor da resistência equivalente da associação de resistores entre os terminais A e B é, em Ω, igual a

 

Provas

Questão presente nas seguintes provas
618756 Ano: 2013
Disciplina: Engenharia Elétrica
Banca: FCC
Orgão: DPE-RS

Um motor de indução trifásico com quatro polos, 60 Hz, opera segundo as curvas de conjugado apresentadas abaixo.

enunciado 618756-1

O motor opera, em rpm, com rotação igual a

 

Provas

Questão presente nas seguintes provas
618755 Ano: 2013
Disciplina: Engenharia Elétrica
Banca: FCC
Orgão: DPE-RS

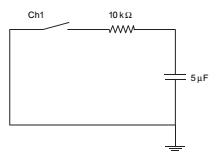
Considere o circuito elétrico abaixo, constituído de uma chave (Ch1), um resistor e um capacitor.

enunciado 618755-1

No instante inicial, ou seja, antes do fechamento da chave Ch1, o capacitor possui uma carga armazenada de valor Q. Ao fechar a chave Ch1, a constante de tempo de descarga no circuito será de

 

Provas

Questão presente nas seguintes provas
618754 Ano: 2013
Disciplina: Engenharia Elétrica
Banca: FCC
Orgão: DPE-RS

Sobre seccionador, considere:

I. É um dispositivo de manobra, com abertura e fechamento automatizado do circuito elétrico com carga, quando a corrente ultrapassar a corrente nominal suportável ou em condições de ocorrência de curto-circuito.

II. Na chave seccionadora trifásica, cada fase é acionada individualmente por um comando rotativo.

III. Há chave seccionadora cujo acionamento é motorizado com comando elétrico por botoeiras.

Está correto o que consta APENAS em

 

Provas

Questão presente nas seguintes provas
618753 Ano: 2013
Disciplina: Engenharia de Telecomunicações
Banca: FCC
Orgão: DPE-RS
Considere o quadro de distribuição de energia e as informações abaixo.

enunciado 618753-1
I. deve ser ligado eletricamente ao QD.
II. qualquer fuga de corrente na instalação a qual pertence o quadro de distribuição provoca o seu desarme.
III. é chamado de barramento de proteção.
IV. em caso de fuga de energia é o primeiro a desarmar.
V. são 4 disjuntores de 4 circuitos terminais bifásicos.

Está correto o que consta APENAS em
 

Provas

Questão presente nas seguintes provas
618752 Ano: 2013
Disciplina: Engenharia Elétrica
Banca: FCC
Orgão: DPE-RS
Sobre aterramento de projeto de instalação telefônica predial, considere:

I. Copperweld é um tipo de haste de aterramento.

II. O aterramento do projeto de instalação telefônica deve ser o mesmo usado no projeto de instalação elétrica para garantir a equipotencialidade.

III. Todas as caixas de distribuição, inclusive a de distribuição geral do prédio, devem estar aterradas.

Está correto o que consta APENAS em
 

Provas

Questão presente nas seguintes provas
618751 Ano: 2013
Disciplina: Engenharia Civil
Banca: FCC
Orgão: DPE-RS
Provas:
Considere a figura abaixo.

enunciado 618751-1
A figura representa uma janela do tipo
 

Provas

Questão presente nas seguintes provas