Foram encontradas 787 questões.
- Instalações ElétricasEquipamentos em Média Tensão
- Instalações ElétricasSubestações
- Proteção de Sistemas ElétricosProteção em Média Tensão
- Transformadores e Máquinas ElétricasMáquinas EstáticasTransformador de Corrente
- Transformadores e Máquinas ElétricasMáquinas EstáticasTransformador de Potência
- Sistemas Elétricos de PotênciaDistribuição de Energia Elétrica
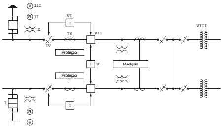
Atenção: Para responder à questão, considere as informações abaixo.
O esquema refere-se a uma subestação primária de consumidor com entrada igual ou superior a 69 kV.
Legenda:
I. Para-raios do tipo válvula.
II. Relé de infratensão para transferência automática e/ou transferência com paralelismo momentâneo.
III. Voltímetro.
IV. Seccionador.
V. Transferência automática e/ou transferência com paralelismo momentâneo.
VI. Intertravamento elétrico e/ou mecânico.
VII. Disjuntor.
VIII. Transformador de potência.
IX. ?
X. ?

Provas
Um motor trifásico de 12 terminais tem a numeração aplicada às bobinas como segue:
Fase R: bobinas (1 − 4) e (7 − 10).
Fase S: bobinas (2 − 5) e (8 − 11).
Fase T: bobinas (3 − 6) e (9 − 12).
Sendo a tensão nominal das bobinas igual a 220 V e estando o motor configurado para operar em estrela com duas bobinas em série por fase, a tensão de linha de alimentação deve ser, em V, igual a
Provas
Atenção: Para responder à questão, considere o circuito elétrico abaixo.

Provas
A carga de um sistema polifásico cossenoidal retificado possui uma corrente conforme o gráfico abaixo.

Neste caso, o valor médio da corrente é
Provas
- Proteção de Sistemas ElétricosProteção em Média Tensão
- Transformadores e Máquinas ElétricasMáquinas EstáticasTransformador de Corrente
- Sistemas Elétricos de PotênciaDistribuição de Energia Elétrica
Provas
Provas
Considere a descrição do símbolo do transformador dada abaixo.
Primário:
− três fios nas cores: preta (extremidade inferior), amarela (derivação central) e vermelha (extremidade superior).
− tensões nominais: 110 e 220 V.
Secundário:
− três fios nas cores: laranja (extremidades inferior e superior) e violeta (derivação central).
− tensões nominais: 12 + 12 V.
− corrente nominal: 5 A.
Aplicando 127 V nos fios preto e amarelo do primário e ligando uma resistência de 100 Ω nos fios laranjas do secundário, o valor aproximado da corrente na derivação central do primário é, em mA, igual a
Provas
Provas
Provas
No item relativo à segurança em instalações elétricas desenergizadas previsto na NR 10, uma instalação deve manter-se desenergizada até a autorização para a sua reenergização. Considere:
I. Remoção do aterramento temporário, da equipotencialização e das proteções adicionais.
II. Destravamento, se houver, e religação dos dispositivos de seccionamento.
III. Retirada das ferramentas, utensílios e equipamentos.
IV. Retirada da zona controlada dos trabalhadores não envolvidos no processo de reenergização.
V. Remoção da sinalização de impedimento de reenergização.
Nesta situação, a sequência correta de operações é
Provas
Caderno Container