Foram encontradas 566 questões.
Considere a associação mista dos elementos capacitivos ideais, abaixo, onde C1 = C2 = C3 = 60μF e a fonte de E = 60 V.

A carga elétrica acumulada na capacitância equivalente é, em milicoulomb,
Provas
Não é incomum, durante medidas com o osciloscópio, encontrar distorções nos sinais como as apresentadas abaixo, à direita (overshoot ou undershoot).

Tais distorções podem ser corrigidas
Provas
Considere a montagem, abaixo, a qual expõe a disposição de vários instrumentos de medidas conectados a um motor monofásico 220 V.

Com os valores apresentados nos instrumentos, calcula-se
Provas
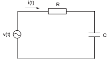
No circuito RC série, abaixo, a tensão fornecida pela fonte é dada por: v(t) = 311 sen 50t (V) e a corrente é i(t) = 14,1 sen (50t + π/3) (A)

Nas condições apresentadas, o valor do capacitor é, aproximadamente, em milifarad,
Provas
Considere o circuito abaixo em termos de potência.

As potências fornecidas pelas fontes totalizam, em watts,
Provas
No circuito abaixo, E1 é uma fonte de tensão contínua, ajustável de zero a quarenta volts.

O valor de E1 que anula a corrente em R1, em volt, é
Provas
Considere um fio condutor onde se verifica a corrente elétrica contínua constante de 10 Ampères.

A quantidade de elétrons que atravessa a seção transversal do referido condutor no intervalo de um segundo é, aproximadamente,
Provas
Refere-se a um circuito Provas
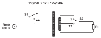
Considere o circuito abaixo:

Estando S1 na posição I e S2 na posição I com o primário do transformador alimentado por uma rede de 220 V / 60 Hz, a corrente no primário vale aproximadamente 66 mA; estando S1 na posição II e S2 na posição II com o primário do transformador alimentado por uma rede de 110 V / 60 Hz, a corrente no primário vale aproximadamente 33 mA. Nesse caso, a carga RL vale
Provas
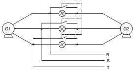
O esquema abaixo refere-se a um sistema com dois geradores trifásicos interligados, sendo o principal o G1 e o secundário o G2, com uma chave trifásica para interligar G2 à rede de transmissão e três lâmpadas indicadoras da condição dos geradores.

Estando a chave trifásica
Provas
Caderno Container