Foram encontradas 580 questões.
Todos os transformadores trifásicos devem ser submetidos a diversos ensaios ao longo de sua vida útil.
Para determinar as perdas nos condutores que compõem as bobinas, é realizado o ensaio de:
Provas
Uma instalação elétrica possui carga trifásica de 50 kVA com fator de potência indutivo igual a 0,86 indutivo.
Para que o fator de potência fique igual à unidade, deve-se instalar um banco de capacitores, em kVar, igual a:
Provas
Provas
Provas
A demanda média de energia de uma instalação elétrica industrial é de 576 kW. Todas as cargas que são atendidas por essa instalação possuem fatores de potência invariáveis e iguais a 0,6 indutivo e o transformador que alimenta essa instalação nas condições apresentadas não pode ser solicitado por uma potência maior que 1.200 kVA.
Para o limite máximo de operação do transformador, o fator de carga da instalação é igual a:
Provas
Considere um sistema elétrico trifásico de sequência de fases ABC, a três fios, equilibrado, e com a fonte e a carga na configuração estrela. A tensão da fase A em relação à fase B é igual a 380 V com um ângulo de fase igual a 0° . A impedância de cada carga monofásica que compõe a carga trifásica é igual a 10 Ω, com ângulo de 30° .
A corrente elétrica na fase A é igual a:
Provas
Um motor de indução de 6 polos é alimentado por uma fonte de tensão senoidal de frequência igual a 60 Hz.
A velocidade do campo magnético girante desse motor, em rpm, é:
Provas
O circuito apresentado abaixo é composto por uma fonte senoidal U, sete resistores, um capacitor e um indutor.
A ddp da fonte é igual a 60 V e o valor de R é igual a 10 Ω.

Sabendo-se que a potência reativa do circuito é igual a zero, a corrente elétrica fornecida pela fonte do circuito, em ampères, é igual a:
Provas
A figura abaixo apresenta duas lâmpadas, os terminais da fase e do neutro, dois interruptores paralelos e um intermediário.

Para que a lâmpada possa ser acionada por três pontos distintos, as conexões corretas são:
Provas
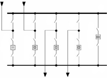
A figura abaixo apresenta um arranjo típico de uma subestação.

Esse arranjo:
I. tem barra dupla, disjuntor simples e by pass;
II. permite a substituição de um disjuntor sem desligamento da carga;
III. permite que metade da subestação permaneça em operação por ocasião de uma falha.
Está correto somente o que se afirma em:
Provas
Caderno Container