Foram encontradas 60 questões.
Quanto aos circuitos snubbers associados com chaves semicondutoras, é correto afirmar que:
Provas
No circuito da figura, o valor de R que a faz dissipar máxima potência é:

Provas
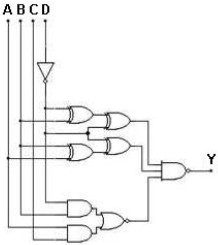
No circuito lógico a seguir, a expressão característica da saída Y em função das entradas A, B, C e D é:

Provas
O valor aproximado da tensão eficaz de entrada Vi que produz uma corrente média de 450mA sobre a resistência no circuito a seguir é:

Provas
O valor da diferença de potencial entre os terminais de um capacitor com carga igual a 10 μC e energia armazenada de 100 μJ é:
Provas
“Os capacitores possuem importantes aplicações nos sistemas elétricos. No campo industrial, eles são utilizados na correção do fator de potência (sendo também conhecidos como capacitores-derivação), possuindo muitas outras utilidades.” NÃO possui relação com a utilização de capacitores nos sistemas elétricos industriais:
Provas
O valor aproximado do ganho de tensão do amplificador da figura abaixo é:

Provas
O circuito a seguir é conhecido como ponte de Owen para medição de indutâncias. Quando essa ponte está no equilíbrio, os valores da indutância Lx e da resistência Rx, são:

Provas
NÃO constitui uma característica associada ao sistema de partida estrela-triângulo de motores elétricos de indução:
Provas
São características de um amplificador operacional ideal, EXCETO:
Provas
Caderno Container