Foram encontradas 755 questões.

A figura acima mostra a planta de parte de uma instalação elétrica
predial, na qual os elementos nos circuitos foram dimensionados
de acordo com normas pertinentes ao tipo de problema.
Com base na planta da instalação elétrica mostrada acima, julgue
os itens que se seguem.
Provas
Questão presente nas seguintes provas
- Instalações ElétricasEquipamentos em Média Tensão
- Sistemas Elétricos de PotênciaDistribuição de Energia Elétrica
Uma subestação em alta tensão possui equipamentos
denominados pararraios. Acerca desse tipo de dispositivo, julgue
o item subsequente.
Esse equipamento desempenha a função de indutor linear, cuja função é a proteção da malha de terra da subestação contra elevadas correntes de curto-circuito.denominados pararraios. Acerca desse tipo de dispositivo, julgue
o item subsequente.
Provas
Questão presente nas seguintes provas
Com relação às máquinas síncronas, julgue o próximo item.
O fator de potência de um motor síncrono pode ser controlado eficientemente variando-se a corrente de excitação de campo do motor.Provas
Questão presente nas seguintes provas
Um motor de indução trifásico, com 6 polos, 60 Hz, é conectado
a uma rede de frequência compatível e opera sob condição de
carga na qual o escorregamento é igual a 0,02. Considerando essa
situação, julgue os itens que se seguem.
A velocidade do campo magnético girante do rotor, com relação ao campo magnético girante do estator, é inferior a 1.200 rpm.a uma rede de frequência compatível e opera sob condição de
carga na qual o escorregamento é igual a 0,02. Considerando essa
situação, julgue os itens que se seguem.
Provas
Questão presente nas seguintes provas

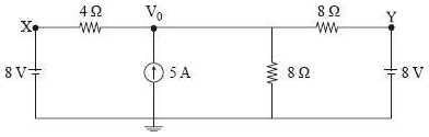
Considere que o circuito elétrico na figura acima seja alimentado
por fontes independentes de tensão e de corrente.
A partir dessas informações, julgue os itens a seguir.
Provas
Questão presente nas seguintes provas

Considere que o circuito elétrico na figura acima seja alimentado
por fontes independentes de tensão e de corrente.
A partir dessas informações, julgue os itens a seguir.
Provas
Questão presente nas seguintes provas

G. Kindermann. Proteção de sistemas elétricos. UFSC/Labplan/EEL, vol. 3, 1.ª ed., 2008, p. 153.
A figura acima ilustra o arranjo de subestação na forma de um
esquema em diagrama unifilar.
Acerca do tipo de arranjo apresentado e de manutenção na
subestação, julgue os itens a seguir.
Provas
Questão presente nas seguintes provas

A figura acima mostra a planta de parte de uma instalação elétrica
predial, na qual os elementos nos circuitos foram dimensionados
de acordo com normas pertinentes ao tipo de problema.
Com base na planta da instalação elétrica mostrada acima, julgue
os itens que se seguem.
Provas
Questão presente nas seguintes provas
Considere o campo elétrico existente na fronteira de uma região
formada por dois dielétricos distintos, lineares, homogêneos e
isotrópicos (meios 1 e 2), cujas permissividades relativas sejam
. A respeito desse assunto, julgue os itens a seguir.
As componentes tangenciais do campo elétrico são as mesmas em ambos os lados da fronteira entre os dielétricos.formada por dois dielétricos distintos, lineares, homogêneos e
isotrópicos (meios 1 e 2), cujas permissividades relativas sejam
Provas
Questão presente nas seguintes provas

G. Kindermann. Proteção de sistemas elétricos. UFSC/Labplan/EEL, vol. 3, 1.ª ed., 2008, p. 153.
A figura acima ilustra o arranjo de subestação na forma de um
esquema em diagrama unifilar.
Acerca do tipo de arranjo apresentado e de manutenção na
subestação, julgue os itens a seguir.
Provas
Questão presente nas seguintes provas
Cadernos
Caderno Container