Foram encontradas 60 questões.
De acordo com a NBR 5410/04, o valor máximo de tensão, em V, para uma instalação elétrica de baixa tensão que opera com corrente alternada, é de:
Provas
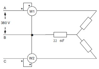
Um sistema trifásico equilibrado, na seqüência ABC, alimenta uma carga equilibrada em Y, conforme esquema abaixo.

Os valores registrados, em Watts, por W1 e W2, respectivamente, são:
Provas
Um transformador monofásico de 10 kVA, 500/250 V tem uma resistência no enrolamento do primário de 1,1\( Ω \) e no secundário de 0,2\( Ω \) . A perda total nesses enrolamentos, com o transformador operando em meia carga (5 kVA), será, em W, aproximadamente:
Provas
Analise o diagrama unifilar abaixo, de um arranjo físico típico de subestações de sistemas elétricos de potência.

Tal arranjo refere-se:
Provas
A manutenção corretiva deve ser empregada quando:
Provas
Dentre as lâmpadas relacionadas abaixo, a que oferece melhor reprodução de cores é a:
Provas
Numa linha de transmissão, a flecha de um vão nivelado cujo comprimento tem 100m é 3m. Considerando-se o mesmo cabo, bem como o tracionamento, o valor da flecha para um vão de 200m,em m, vale:
Provas
Um motor de indução trifásico, 5CV, 15A, 220V, 60Hz, elevação de temperatura admissível de 40ºC, possui uma chave magnética cujo relé térmico deve ser ajustado para um valor, em A, de:
Provas
A Lei nº 8.666/93 estabelece as condições para dispensa de licitação (art.24) e as situações de inexigibilidade de licitação (art.25). A inexigibilidade de licitação é caracterizada pela contratação de:
Provas
O sistema de Direito Administrativo tem como conteúdo do seu regime jurídico a consagração do princípio básico da:
Provas
Caderno Container