Magna Concursos

Foram encontradas 50 questões.

Qual é o atalho do MS-Windows 7 que serve para minimizar todas as janelas?
 

Provas

Questão presente nas seguintes provas
Qual é o atalho do MS-Windows 7 para usar as teclas de direção para alternar itens abertos?
 

Provas

Questão presente nas seguintes provas
Qual é o atalho do MS-Windows 7 para abrir o gerenciador de tarefas?
 

Provas

Questão presente nas seguintes provas
O que são pastas no MS-Windows 7?
 

Provas

Questão presente nas seguintes provas
Qual é o atalho do MS-Windows 7 que serve para abrir ou fechar o menu iniciar?
 

Provas

Questão presente nas seguintes provas
2905634 Ano: 2023
Disciplina: Engenharia Eletrônica
Banca: Avança SP
Orgão: DAE-Santa Bárbara Oeste
Provas:

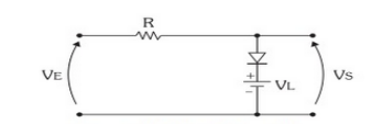
A figura adiante representa um circuito limitador positivo, que tem como função limitar a tensão de saída do circuito num valor predeterminado, podendo ser positivo ou negativo mediante as características do circuito.

Enunciado 3193115-1

Avalie as seguintes asserções e a relação proposta entre elas:

I - considerando-se inicialmente o diodo ideal, se a tensão VE for negativa, o diodo fica reversamente polarizado.

PORQUE

II - a malha funciona como um circuito aberto, fazendo com que VS seja igual a VE.

 

Provas

Questão presente nas seguintes provas
2905633 Ano: 2023
Disciplina: Engenharia Eletrônica
Banca: Avança SP
Orgão: DAE-Santa Bárbara Oeste
Provas:

O principal componente de uma malha de controle é, obviamente, o controlador, que pode ser considerado um dispositivo eletrônico ou um computador.

Interprete as afirmativas a seguir:

I - O sistema de controle Malha Fechada é aquele no qual a ação de controle é independente da saída, portanto a saída não tem efeito na ação de controle.

II - O sistema de controle Malha Aberta é aquele no qual a ação de controle depende da saída, portanto, a saída possui um efeito direto na ação de controle.

III - A realimentação do sistema é o procedimento em que a informação da saída do sistema é utilizada na entrada deste mesmo sistema, sendo esta realimentação, obrigatoriamente, positiva.

É incorreto o que se afirma em:

 

Provas

Questão presente nas seguintes provas
2905632 Ano: 2023
Disciplina: Engenharia Eletrônica
Banca: Avança SP
Orgão: DAE-Santa Bárbara Oeste
Provas:

De acordo com os sinais gráficos particulares padronizados pela norma IEC 61131-3 (figura a seguir) utilizada na linguagem Ladder, a mais empregada internacionalmente para a programação do PLC, interprete as seguintes afirmativas:

Enunciado 3193111-1

I - o sinal (1) representa um contato ON, normalmente aberto.

II - o sinal (2) representa um contato OFF, normalmente fechado.

III - o sinal (3) representa o contato detector de transição negativa (borda de subida).

IV - o sinal (4) representa o contato detector de transição positiva (borda de descida).

V - o sinal (5) representa a variável externa ou interna (saída).

É correto o que se afirma em:

 

Provas

Questão presente nas seguintes provas
2905631 Ano: 2023
Disciplina: Engenharia Eletrônica
Banca: Avança SP
Orgão: DAE-Santa Bárbara Oeste
Provas:

A figura a seguir representa um circuito com transistor ideal, onde a corrente no coletor-emissor (IC) é de:

Dados:

▪ VBB = VCC = 20 V

▪ Resistor Ra = 500 KΩ

▪ Resistor Rb = 500 KΩ

▪ Ganho de corrente βCC = 200

Enunciado 3193024-1

 

Provas

Questão presente nas seguintes provas
2905630 Ano: 2023
Disciplina: Engenharia Elétrica
Banca: Avança SP
Orgão: DAE-Santa Bárbara Oeste
Provas:

De acordo com a figura adiante, é incorreto afirmar que:

Enunciado 3193123-1

 

Provas

Questão presente nas seguintes provas