Foram encontradas 470 questões.
Os circuitos integrados em uso nos equipamentos eletrônicos podem ser classificados em dois grupos, os pré-configurados e os reconfiguráveis. Os primeiros possuem suas funcionalidades definidas durante o processo de fabricação, e os segundos possuem a característica de possibilitar que o desenvolvedor implemente funcionalidades nos dispositivos. Com relação a esses dispositivos eletrônicos, julgue os itens a seguir.
Diferentemente dos microcontroladores típicos, a arquitetura dos circuitos reconfiguráveis FPGA promove a execução de elementos lógicos em paralelo.
Provas
Os circuitos integrados em uso nos equipamentos eletrônicos podem ser classificados em dois grupos, os pré-configurados e os reconfiguráveis. Os primeiros possuem suas funcionalidades definidas durante o processo de fabricação, e os segundos possuem a característica de possibilitar que o desenvolvedor implemente funcionalidades nos dispositivos. Com relação a esses dispositivos eletrônicos, julgue os itens a seguir.
Um caso típico de circuitos integrados reconfiguráveis são os denominados PLDs (dispositivos de lógica programável). Sua utilização possibilita aos projetistas uma solução na qual um considerável número de circuitos integrados préconfigurados pode ser substituído por um único circuito integrado reconfigurável.
Provas

O diodo pode ser identificado como o elemento não -linear fundamental em circuitos eletrônicos, sendo que a sua aplicação em circuitos retificadores é ampla. Considerando o circuito esquematizado na figura acima e o comportamento esperado dos retificadores de precisão ideal, julgue o item subsequente.
O retificador de precisão no circuito pode ser considerado um diodo ideal em determinadas aplicações.
Provas

O diodo pode ser identificado como o elemento não -linear fundamental em circuitos eletrônicos, sendo que a sua aplicação em circuitos retificadores é ampla. Considerando o circuito esquematizado na figura acima e o comportamento esperado dos retificadores de precisão ideal, julgue o item subsequente.
Considerando o diodo com uma queda de tensão de 0,7 V, o resistor R com valor de 1 !$ \Omega !$ e o Amp Op ideal saturando em ±15 V, é esperada, para uma entrada de tensão de -1 V, uma tensão na saída do Amp Op de !14,3 V e, na saída do retificador, de 0 V.
Provas

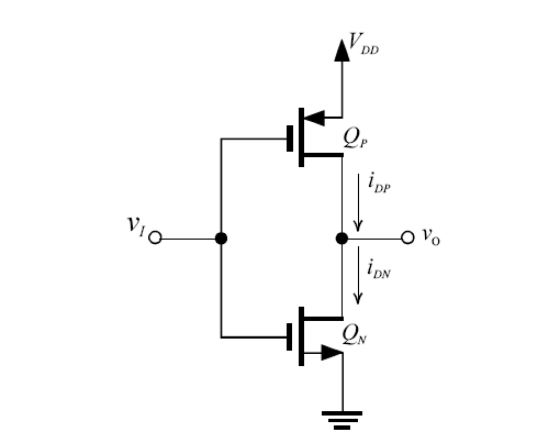
Acerca de circuitos inversores lógicos e do circuito inversor ilustrado na figura acima, que utiliza um par de chaves complementares, em que a chave levantadora (pull-up) conecta o nó de saída a VDD e a chave abaixadora (pull-down) conecta o nó de saída ao terra, julgue os itens seguintes.
Em circuitos integrados, o atraso na propagação dos inversores lógicos deve-se às indutâncias mútuas que inevitavelmente surgem nas interligações metálicas.
Provas

Acerca de circuitos inversores lógicos e do circuito inversor ilustrado na figura acima, que utiliza um par de chaves complementares, em que a chave levantadora (pull-up) conecta o nó de saída a VDD e a chave abaixadora (pull-down) conecta o nó de saída ao terra, julgue os itens seguintes.
Desprezando-se a dissipação associada à corrente de fuga, a dissipação de potência estática do inversor de chaves complementares CMOS é zero.
Provas

Acerca de circuitos inversores lógicos e do circuito inversor ilustrado na figura acima, que utiliza um par de chaves complementares, em que a chave levantadora (pull-up) conecta o nó de saída a VDD e a chave abaixadora (pull-down) conecta o nó de saída ao terra, julgue os itens seguintes.
Independentemente da tecnologia de fabricação empregada em circuitos integrados digitais, o elemento básico em projeto de circuitos integrados digitais é o inversor lógico.
Provas

Acerca de circuitos inversores lógicos e do circuito inversor ilustrado na figura acima, que utiliza um par de chaves complementares, em que a chave levantadora (pull-up) conecta o nó de saída a VDD e a chave abaixadora (pull-down) conecta o nó de saída ao terra, julgue os itens seguintes.
Uma limitação do inversor CMOS básico é a presença constante de uma tensão residual na saída.
Provas
- Eletrônica AnalógicaAmplificadores, diodos, transistores, tiristores e dispositivos correlatos
- Eletrônica de PotênciaFontes, retificadores e inversores estáticos

Acerca de circuitos inversores lógicos e do circuito inversor ilustrado na figura acima, que utiliza um par de chaves complementares, em que a chave levantadora (pull-up) conecta o nó de saída a VDD e a chave abaixadora (pull-down) conecta o nó de saída ao terra, julgue os itens seguintes.
A tecnologia CMOS é dominante no processo de integração dos atuais circuitos digitais, sendo o circuito da figura um inversor CMOS básico com dois transistores, do tipo MOSFET.
Provas
- Eletrônica AnalógicaCircuitosCircuitos com Amplificadores e com conversores de dados
- Eletrônica de PotênciaFontes, retificadores e inversores estáticos

Acerca de circuitos inversores lógicos e do circuito inversor ilustrado na figura acima, que utiliza um par de chaves complementares, em que a chave levantadora (pull-up) conecta o nó de saída a VDD e a chave abaixadora (pull-down) conecta o nó de saída ao terra, julgue os itens seguintes.
Considerando o circuito da figura com a entrada no estado lógico alto, o transistor QP pode ser representado por um circuito aberto e o transistor QN , por uma resistência equivalente.
Provas
Caderno Container