Foram encontradas 70 questões.

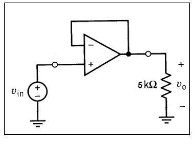
Considerando o circuito mostrado na figura acima, em que se tem um amplificador operacional ideal usado em uma topologia comumente conhecida com buffer, julgue os itens subseqüentes.
O ganho de tensão em malha fechada do circuito é igual a 1.
Provas

Considerando o circuito mostrado na figura acima, em que se tem um amplificador operacional ideal usado em uma topologia comumente conhecida com buffer, julgue os itens subseqüentes.
![]()
Provas

Considerando o circuito mostrado na figura acima, em que se tem um amplificador operacional ideal usado em uma topologia comumente conhecida com buffer, julgue os itens subseqüentes.
O circuito possui alta impedância de saída.
Provas

Considerando o circuito mostrado na figura acima, em que se tem um amplificador operacional ideal usado em uma topologia comumente conhecida com buffer, julgue os itens subseqüentes.
O circuito possui alta impedância de entrada.
Provas

Se o ganho de tensão em malha fechada do circuito fosse igual a 1, a sua freqüência seria igual a 1 MHz.
Provas

A freqüência de corte do circuito mostrado é igual a 50 kHz.
Provas

O ganho de tensão dessa configuração é igual a 10.
Provas

O amplificador representado no circuito utiliza realimentação negativa.
Provas

A impedância de entrada do circuito é igual 20 kΩ.
Provas
Disciplina: Engenharia de Telecomunicações
Banca: CESPE / CEBRASPE
Orgão: CTI
A respeito de técnicas de processamento de sinais digitais e analógicos, julgue os itens a seguir.
Filtros digitais IIR (infinite impulse response) causais, lineares e estáveis possuem seus pólos no interior do círculo unitário no plano complexo z.
Provas
Caderno Container