Foram encontradas 699 questões.
Após a leitura, identifique a afirmação correta:
Provas
Após a leitura do enunciado apresentado a seguir, identifique a afirmação correta:
A figura resultante da projeção cilíndrica ortogonal do objeto sobre um plano de referência, em desenho técnico, denomina-se:
Provas
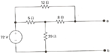
No circuito a seguir, os valores do equivalente de Norton em relação aos terminais a e b são respectivamente:

Provas
No circuito a seguir, os valores do equivalente de Thévenin em relação aos terminais a e b são respectivamente:

Provas
Analisando as características dos transistores de efeito de campo (TEC), tipo Junção, é correto afirmar:
Provas
Simplificando a expressão booleana S =
+
+
+
+ ABC, chega-se ao seguinte resultado:
Provas
Com relação às características gerais do esquema de aterramento TN, assinale a única alternativa INCORRETA:
Provas
Verifique as seguintes alternativas relacionadas a disjuntores de baixa tensão:
I. Os disjuntores possuem pelo menos dois níveis de proteção: contra sobrecorrentes pequenas e moderadas, por meio de disparadores eletromagnéticos ou térmicos.
II. Os disjuntores termomagnéticos são usualmente classificados em três categorias: lentos, rápidos e limitadores.
III. Um disparador eletromagnético é temporizado, quando o movimento da armadura promove a atuação instantânea do disjuntor, que se dá após um tempo de retardo.
IV. A corrente nominal de um disjuntor (automático) é igual à corrente nominal de seu disparador-série, como tal entendido o valor da corrente que pode circular pelo disparador-série, mantendo suas características, por tempo indeterminado, sem que ele atue.
A seqüência correta é:
Provas
Assinale a única alternativa que determina a diferença entre um transistor tipo JFET (Junction Field-Effect Transistor) e um transistor bipolar:
Provas
Com relação à polarização do transistor, analise as seguintes alternativas:
I. A polarização direta no diodo emissor controla o número de elétrons livres injetados na base. Quanto maior VBE, maior o número de elétrons injetados.
II. A polarização reversa no diodo coletor tem muita influência no número de elétrons que entram no coletor. Aumentando-se VCB tornase menos inclinada a barreira de energia do coletor.
III. A tensão de ruptura não depende da largura da camada de depleção e dos níveis de dopagem.
IV. Aumentando-se VCB a polarização reversa do diodo coletor aumenta a largura do canal p, o que equivale a uma diminuição na resistência de espalhamento da base.
A seqüência correta é:
Provas
Caderno Container