Foram encontradas 50 questões.
E-mail (abreviatura de electronic mail, correio eletrônico) é uma forma rápida e prática de se comunicar com outras pessoas. Sobre isso, analise as afirmativas:
I – É possível enviar uma mensagem de e-mail para qualquer pessoa que tenha um endereço de e-mail. Você pode receber mensagens de qualquer pessoa que saiba seu endereço de e-mail e depois ler e responder a essas mensagens.
II – Além de mensagens de e-mail simples contendo texto, você pode enviar praticamente qualquer tipo de arquivo em uma mensagem de e-mail, como documentos, imagens e música. Um arquivo enviado em uma mensagem de e-mail é denominado anexo.
III – Você não pode enviar uma mensagem de e-mail para muitas pessoas ao mesmo tempo. Os destinatários podem responder ao grupo inteiro, permitindo discussões em grupo.
IV – Quando você recebe uma mensagem de e-mail, pode encaminhá-la a outras pessoas sem precisar digitá-la novamente.
Das afirmativas elencadas, qual(is) está(ão) correta(s)?
Provas
Para realizarmos um acesso a um disco rígido, é necessário posicionar o cabeçote de leitura e escrita sob um determinado setor e trilha, onde o dado será lido ou escrito. O tempo total de acesso ao disco seja para leitura ou escrita é dado pela seguinte formula: " Tacesso = TSeek + TTransferencia ´´. Sendo assim, podemos afirmar que:
I – Tempo de Seek: tempo necessário para deslocar o cabeçote de leitura e escrita até o cilindro correspondente à trilha a ser acessada.
II – Tempo de Latência: tempo necessário, uma vez o cabeçote posicionado na trilha correta, para o setor a ser lido, ou escrito, se posicionar sob o cabeçote de leitura e escrita no início do setor a ser lido ou escrito.
III – Tempo de Transferência: não corresponde ao tempo necessário à transferência de dados, isto é, a leitura ou escrita de dados.
Das afirmativas acima, qual(is) está (ão) correta(s)?
Provas
Os discos rígidos são dispositivos de armazenamento destinados a grande quantidade de dados. Sobre discos rígidos podemos afirmar que:
I – Fisicamente, um disco rígido pode ser visto como um composto de dois grandes blocos.
II – O primeiro bloco é um conjunto de discos magnéticos superpostos em alturas diferentes com auxilio de um eixo central.
III – O segundo bloco é uma estrutura mecânica que suporta um conjunto de cabeçotes.
Das afirmativas acima, qual(is) está(ão) incorreta(s)?
Provas
Em um ar condicionado Split que opera com R410A em um local onde a pressão atmosférica é de 100kPa, os seguintes dados foram medidos:
Temperatura na sucção do compressor: -10ºC.
Temperatura antes do tubo capilar: 35ºC.
Pressão no manômetro de alta: 2320,7kPa.
Pressão no manômetro de baixa: 380,4kPa.
Utilizando a tabela de propriedades termodinâmicas do R410A, assinale a alternativa com o superaquecimento e subresfriamento do sistema, respectivamente:

Provas
O sistema de manutenção desenvolvido no Japão a fim de eliminar perdas, reduzir paradas, garantir a qualidade e diminuir custos nas empresas com processos contínuos é denominado:
Provas
- Sistemas FluidomecânicosMáquinas de Fluxo
- Sistemas FluidomecânicosSistemas Hidráulicos e Pneumáticos
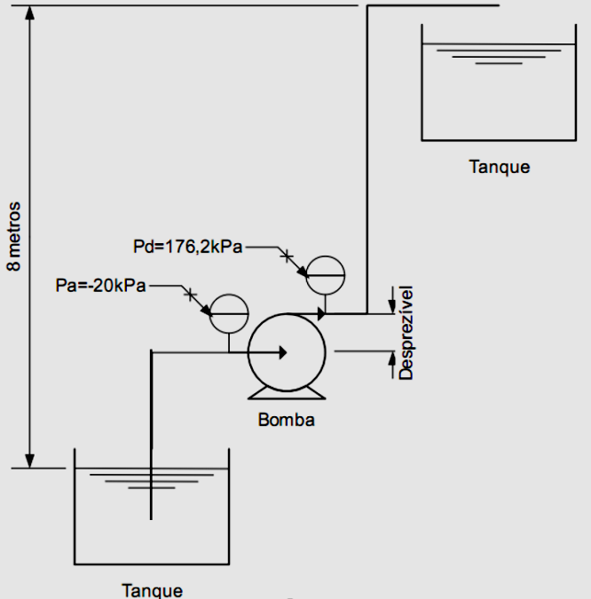
O sistema de bombeamento abaixo opera com água (!$ \gamma !$=10000kg/m3), considerando que o diâmetro de sucção e recalque sejam iguais e a perda de carga desprezível, assinale a alternativa que indica a altura manométrica que a bomba deverá vencer:

Provas
O ensaio utilizado em metalurgia para avaliar a temperabilidade de um aço, ou seja, a capacidade de se obter martensita por tratamento térmico de têmpera é denominado:
Provas
O diagrama Temperatura versus Tempo a seguir, representa o tratamento térmico de:

Provas
No diagrama ferro carbono a seguir, os pontos A e B, são respectivamente:

Provas
Dado o diagrama a seguir e a tabela de propriedades de um refrigerador que opera com amônia, assinale a alternativa que indica corretamente a entalpia do ponto 3 e o COP de Carnot do ciclo.


Provas
Caderno Container