Foram encontradas 820 questões.

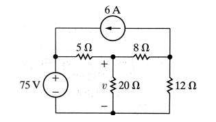
Considerando o circuito elétrico em tensão contínua ilustrado acima, julgue o item.
Para que seja aplicado o princípio da superposição, basta que se substitua a fonte de tensão por um circuito aberto e a fonte de corrente por um curto-circuito.
Provas
Questão presente nas seguintes provas

Considerando o circuito elétrico em tensão contínua ilustrado acima, julgue o item.
A potência elétrica, em qualquer elemento resistivo, pode ser calculada somente pela razão entre o quadrado da tensão em volts no elemento e o valor da resistência em ohms.
Provas
Questão presente nas seguintes provas

Considerando o circuito elétrico em tensão contínua ilustrado acima, julgue o item.
A tensão no elemento de 20 Ω é de 50 V.
Provas
Questão presente nas seguintes provas
- Sistemas Elétricos de PotênciaDistribuição de Energia Elétrica
- Sistemas Elétricos de PotênciaSistema Elétrico Brasileiro
A respeito das regras de prestação de serviço público de distribuição de energia elétrica, julgue o item.
As escolas públicas têm direito à instalação gratuita do padrão de entrada, do ramal de conexão e das instalações internas da unidade consumidora.
As escolas públicas têm direito à instalação gratuita do padrão de entrada, do ramal de conexão e das instalações internas da unidade consumidora.
Provas
Questão presente nas seguintes provas
- Sistemas Elétricos de PotênciaDistribuição de Energia Elétrica
- Sistemas Elétricos de PotênciaSistema Elétrico Brasileiro
A respeito das regras de prestação de serviço público de distribuição de energia elétrica, julgue o item.
Suponha-se que um consumidor instalou, em sua residência, um sistema fotovoltaico, com o objetivo de vender o excedente de produção de energia elétrica para a concessionária local. Nesse caso, é correto afirmar que o consumidor pode ser caracterizado como uma distribuidora.
Suponha-se que um consumidor instalou, em sua residência, um sistema fotovoltaico, com o objetivo de vender o excedente de produção de energia elétrica para a concessionária local. Nesse caso, é correto afirmar que o consumidor pode ser caracterizado como uma distribuidora.
Provas
Questão presente nas seguintes provas
- Sistemas Elétricos de PotênciaDistribuição de Energia Elétrica
- Sistemas Elétricos de PotênciaSistema Elétrico Brasileiro
A respeito das regras de prestação de serviço público de distribuição de energia elétrica, julgue o item.
O posto tarifário compreende o transformador de distribuição e seus acessórios, tais como os dispositivos de manobra, controle, proteção e demais materiais necessários para as obras civis e as estruturas de montagem.
O posto tarifário compreende o transformador de distribuição e seus acessórios, tais como os dispositivos de manobra, controle, proteção e demais materiais necessários para as obras civis e as estruturas de montagem.
Provas
Questão presente nas seguintes provas
- Sistemas Elétricos de PotênciaDistribuição de Energia Elétrica
- Sistemas Elétricos de PotênciaSistema Elétrico Brasileiro
A respeito das regras de prestação de serviço público de distribuição de energia elétrica, julgue o item.
O fator de potência pode ser calculado pela razão entre a demanda máxima em um intervalo de tempo e a carga instalada na unidade consumidora.
O fator de potência pode ser calculado pela razão entre a demanda máxima em um intervalo de tempo e a carga instalada na unidade consumidora.
Provas
Questão presente nas seguintes provas
- Sistemas Elétricos de PotênciaDistribuição de Energia Elétrica
- Sistemas Elétricos de PotênciaSistema Elétrico Brasileiro
A respeito das regras de prestação de serviço público de
distribuição de energia elétrica, julgue o item.
A soma das potências nominais dos equipamentos elétricos instalados na unidade consumidora e em condições de entrar em funcionamento, expressa em kW (quilowatts), é denominada carga instalada.
A soma das potências nominais dos equipamentos elétricos instalados na unidade consumidora e em condições de entrar em funcionamento, expressa em kW (quilowatts), é denominada carga instalada.
Provas
Questão presente nas seguintes provas
A respeito dos conceitos de teoria de circuitos elétricos, julgue o item.
Pela lei das tensões de Kirchhoff , a soma algébrica das tensões em um nó de um circuito elétrico é igual a zero.
Pela lei das tensões de Kirchhoff , a soma algébrica das tensões em um nó de um circuito elétrico é igual a zero.
Provas
Questão presente nas seguintes provas
A respeito dos conceitos de teoria de circuitos elétricos, julgue o item.
O elemento básico ideal de circuito tem três atributos: apresenta apenas dois terminais; é descrito matematicamente em termos de tensão e(ou) corrente; e não pode ser subdividido em outros elementos.
O elemento básico ideal de circuito tem três atributos: apresenta apenas dois terminais; é descrito matematicamente em termos de tensão e(ou) corrente; e não pode ser subdividido em outros elementos.
Provas
Questão presente nas seguintes provas
Cadernos
Caderno Container