Foram encontradas 820 questões.
Considere-se o circuito elétrico trifásico com fontes senoidais a seguir.

O circuito elétrico em questão é equilibrado.
Provas
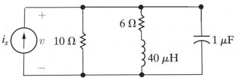
Considere-se o circuito elétrico com fonte de corrente elétrica senoidal a 60 Hz, cuja forma de onda é A.

A forma fasorial da corrente elétrica da fonte é 8 /_200º .
Provas
Considere-se o circuito elétrico com fonte de corrente elétrica senoidal a 60 Hz, cuja forma de onda é A.

A impedância vista pela fonte de corrente é 1/0,16+j0,12 Ω.
Provas
Considere-se o circuito elétrico com fonte de corrente elétrica senoidal a 60 Hz, cuja forma de onda é A.

No domínio da frequência, o valor de impedância do capacitor de 1 µF é de - j5 Ω.
Provas
Considere-se o circuito elétrico com fonte de corrente elétrica senoidal a 60 Hz, cuja forma de onda é A.

Com base na imagem acima, julgue o item.
No domínio da frequência, o valor de impedância do resistor de 10 Ω é j10 Ω.
Provas
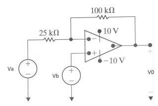
Considere-se o circuito abaixo, com amplificador operacional ideal, com fontes de tensão em corrente contínua e operando em uma região linear.

A tensão na entrada não inversora é Vb.
Provas
Considere-se o circuito abaixo, com amplificador operacional ideal, com fontes de tensão em corrente contínua e operando em uma região linear.

O circuito amplificador da figura é do tipo somador.
Provas
Considere-se o circuito abaixo, com amplificador operacional ideal, com fontes de tensão em corrente contínua e operando em uma região linear.

De acordo com a imagem acima, julgue o item.
Ao se considerar os valores de tensão nas fontes de tensão V e V 1V e 0V, respectivamente, o valor da tensão V0 , portanto, será de -4 V.
Provas

Considerando o circuito elétrico em tensão contínua ilustrado acima, julgue o item.
Ao dobrar o valor de tensão na fonte de tensão para 150 V, o valor de tensão no elemento de 20 Ω, consequentemente, também dobrará.
Provas

Considerando o circuito elétrico em tensão contínua ilustrado acima, julgue o item.
A potência elétrica no elemento resistivo de 20 Ω é menor que 80 W.
Provas
Caderno Container