Foram encontradas 544 questões.

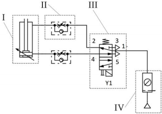
A figura acima ilustra um circuito pneumático para cumprir uma função repetitiva em uma linha de produção. A respeito dos componentes e do funcionamento desse circuito, julgue o item.
O componente III é uma válvula direcional com acionamento manual, com retorno por mola.
Provas

A figura acima ilustra um circuito pneumático para cumprir uma função repetitiva em uma linha de produção. A respeito dos componentes e do funcionamento desse circuito, julgue o item.
O componente II é uma válvula de by-pass.
Provas

A figura acima ilustra um circuito pneumático para cumprir uma função repetitiva em uma linha de produção. A respeito dos componentes e do funcionamento desse circuito, julgue o item.
O componente I é um atuador linear de simples ação, com amortecimento fixo.
Provas

A figura acima ilustra um circuito pneumático para cumprir uma função repetitiva em uma linha de produção. A respeito dos componentes e do funcionamento desse circuito, julgue o item.
Trata-se de um circuito que aciona um atuador linear, por meio de um botão, que, quando acionado, causa uma ação externa, gerando uma força linear por certa distância. Quando liberado o botão, o atuador se recolhe.
Provas

Acerca da peça mostrada acima, produzida, em uma prensa, a partir de uma única peça em chapa de aço plana, julgue o item.
Se a peça mostrada for produzida por estampagem profunda, ter-se-á como vantagem a realização do processo sem o uso de lubrificantes, o que reduz significativamente o custo por unidade produzida.
Provas

Acerca da peça mostrada acima, produzida, em uma prensa, a partir de uma única peça em chapa de aço plana, julgue o item.
Se o material da chapa for um aço com tamanho de grão grosseiro (menor que 5 ASTM), poderá ocorrer o defeito denominado “casca de laranja” na região dos cantos e das arestas curvas, como nos pontos indicados por I.
Provas

Acerca da peça mostrada acima, produzida, em uma prensa, a partir de uma única peça em chapa de aço plana, julgue o item.
Um defeito comum observado nesse tipo de peça ocorre nas regiões planas, como as indicadas por II, e é denominado “casca de laranja”, devido à ocorrência, nessas regiões, de perda de material por “escamação”. Isso ocorre devido ao tamanho de grão reduzido na estrutura cristalina do material da chapa.
Provas

Acerca da peça mostrada acima, produzida, em uma prensa, a partir de uma única peça em chapa de aço plana, julgue o item.
O principal processo envolvido na produção dessa peça, a partir da chapa metálica, é a calandragem.
Provas

Quanto ao redutor de velocidades da figura acima, julgue o item.
O elemento indicado por III é um anel elástico de fixação do rolamento.
Provas

Quanto ao redutor de velocidades da figura acima, julgue o item.
Ao substituir o par de engrenagens A e B por engrenagens com 25 e 60 dentes, respectivamente, mantendo o número de dentes da engrenagem C, deve-se usar uma engrenagem D com 65 dentes.
Provas
Caderno Container