Foram encontradas 1.357 questões.
Utilize as informações a seguir para responder à próxima questão.
Considere o circuito de um equipamento de alta precisão hipotético que determina o valor da resistência variável de um sensor RS a partir da diferença de tensão entre os pontos A e B: VAB=VA-VB. É composto de uma ponte de Wheatstone alimentada por uma fonte de 5V, dois amplificadores operacionais na configuração seguidor de emissor (Amp Op 1 e Amp Op 2) e um amplificador operacional (Amp Op 3) na configuração amplificador diferença. Todos os amplificadores operacionais operam na região linear. A saída do circuito VS é digitalizada por um conversor analógico-digital. As resistências R e RA possuem valores nominais iguais a 10 kΩ e 470 kΩ, respectivamente.

Provas
As opções apresentam consequências da otimização da gestão de energia exceto uma. Assinale-a.
Provas
Um estudo demonstrou que aproximadamente 60% da iluminação de um edifício com área útil total de 1500 m² e taxa média de iluminação de 25 W/m2 pode ser desligada entre 18 e 21 horas. Verificou-se, também, que o sistema de ar-condicionado opera de 8 às 21 horas, 20 dias por mês, 12 meses por ano e que ele é dotado de resfriador de líquido cuja relação kW/TR é igual a 0,85. A economia de energia do sistema de ar-condicionado oriunda da redução de iluminação, considerando que 1 TR ≈ 3,5 kW, é aproximadamente
Provas
Com o intuito de reduzir o consumo de energia, um engenheiro propôs uma redução de 10% na rotação de um motor com os seguintes dados de placa: 100 CV, 380 V e 138 A.
Sabendo que o motor é de 4 polos e tem uma rotação nominal de 1779 RPM, a redução na potência instantânea foi de aproximadamente
Provas
Com relação a NR-10, assinale a opção que não é uma medida de controle de risco realizada pelo trabalhador do setor elétrico.
Provas
Um motor de 2200 W, fator de potência 0,8 e tensão 220 V deve ser instalado em um local cuja temperatura ambiente é de 30ºC e o circuito de alimentação deve ser ligado a um quadro de 20 polos. Considerando fator de temperatura (ft) = 0,7 e fator de agrupamento (fa)=0,85, o disjuntor para proteção desse circuito deve ser de
Provas
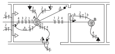
A figura abaixo mostra uma parte de uma planta da instalação elétrica de uma residência.

Com base na NBR 5444, assinale a opção correta.
Provas
A tensão de saída de um conversor CA-CA com tiristores e controle por ciclos inteiros, para a entrada em 220 V e 3 ciclos ligados de um total de 5 ciclos é de aproximadamente
Provas
Pretende-se projetar um transformador que baixe a tensão de 230 V (50 Hz) da rede para 110 V. A seção do núcleo de aço-silício será de 10 cm2 e a indução máxima de 1,2 T.
O número de espiras do primário deverá ser
Provas
Um engenheiro observou que um motor de indução trifásico de 10 HP, 6 polos e 60 Hz operava a plena carga com escorregamento de 3%.
Com o intuito de verificar se o motor atende as exigências do projeto, calculou o conjugado nominal do motor, encontrando aproximadamente
Provas
Caderno Container